MASW-008853 GaAs SPDT 2.7 V High Power Switch DC - 5.0 GHz
M/A-COM’s MASW-008853 is a GaAs PHEMT MMIC single pole double throw (SPDT) high power switch in a low cost SC70 six lead package. The MASW-008853 is ideally suited for applications where high power, low control voltage, low insertion loss, high isolation, small size, and low cost are required. Typical applications are for CDMA handset systems that connect separate transceiverS and/or GPS functions to a common antenna, as well as other related handset and general purpose applications. The MASW-008853 can be used in all systems operating up to 5.0 GHz requiring high power at low control voltage. The MASW-008853 is fabricated using a 0.5 micron gate length GaAs pHEMT process. The process features full passivation for performance and reliability.
技术特性 Features
- Low Voltage Operation: 2.7 V
- High Power: +38dBm (typ) P0.1dB
- High IP3: +56 dBm
- Low Insertion Loss: 0.25 dB @ 1 GHz
- High Isolation: 25 dB @ 1 GHz
- Lead-Free SC70 Package
- 100% Matte Tin Plating over Copper
- Halogen-Free “Green” Mold Compound
- RoHS* Compliant and 260°C Reflow Compatible
|
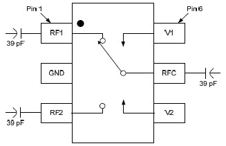
功能框图 Functional Block Diagram

订购信息 Ordering Information
- MASW-008853-000000 Bulk Packaging
- MASW-008853-TR3000 3000 piece reel
- MASW-008853-001SMB Sample Test Board
|