XP1031-QK Power Amplifier 37.0-40.0 GHz
M/A-COM Tech’s four stage 37.0-40.0 GHz SMD GaAs MMIC power amplifier has a small signal gain of 25.0 dB with a +35.5 dBm Output Third Order Intercept. This MMIC uses M/A-COM Tech’s GaAs PHEMT device model technology, and is based upon electron beam lithography to ensure high repeatability and uniformity. The device comes in a RoHS compliant 7x7mm QFN Surface Mount Package offering excellent RF and thermal properties. This device is well suited for Millimeter-wave Point-to-Point Radio, LMDS, SATCOM and VSAT applications.
技术特性 Features
- Linear Power Amplifier
- Output Power Adjust
- 25.0 dB Small Signal Gain
- +25.0 dBm P1dB Compression Point
- +35.5 dBm OIP3
- RoHS* Compliant and 260°C Reflow Compatible
订购信息 Ordering Information
- XP1031-QK-0N00 bulk quantity
- XP1031-QK-0N0T tape and reel
- XP1031-QK-EV1 XP1031-QK evaluation board
|
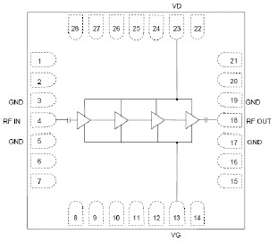
功能框图 Functional Block Diagram

|