XP1043-QH Power Amplifier 12.0-16.0 GHz
The XP1043-QH is a packaged linear power amplifier that operates over the 12.0-16.0 GHz frequency band. The device provides 21.5 dB gain and 41 dBm Output Third Order Intercept Point (OIP3) across the band and is offered in an industry standard, fully molded 4x4mm QFN package. The packaged amplifier is comprised of a three stage power amplifier with an integrated, temperature compensated on-chip power detector. The device includes on-chip ESD protection structures and DC by-pass capacitors to ease the implementation and volume assembly of the packaged part. The device is manufactured in GaAs pHEMT device technology with BCB wafer coating to enhance ruggedness and repeatability of performance. This device is specially designed for use in Point-to-Point Radio systems for cellular backhaul applications, and is well suited for other telecom applications such as SATCOM and VSAT.
技术特性 Features
- 32 dBm Saturated RF Power
- 41 dBm Output IP3 Linearity
- 17 dB Gain Control
- On-Chip Power Detector
- Lead-Free 4 mm 24-lead PQFN Package
- 100% RF Testing
- RoHS* Compliant and 260°C Reflow Compatible
订购信息 Ordering Information
- XP1043-QH-0G00 bulk quantity
- XP1043-QH-0G0T tape and reel
- XP1043-QH-EV1 evaluation module
|
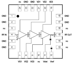
功能框图 Functional Block Diagram

|