XP1044-QL 3W Power Amplifier Module 4.0-5.9 GHz
The XP1044 is a highly linear 2-stage power amplifier capable of 18.5 dB of gain, 34 dBm of power at 1 dB compression and is housed in an RoHS compliant 7x7mm package. The XP1044 provides less than 2.5% EVM at 26 dBm output power with 802.16 OFDM signal and peak to average ratio 9.17 dB. The input and output of the device are internally pre-matched facilitating a simplified input and output match. This product operates off an 8V voltage supply and requires negative voltage which is used for current control. The XP1044-QL is specifically designed for WiMAX applications between 4.9 GHz and 5.9 GHz, and the performance can be shifted by adding external matching components to cover applications between 4.0 GHz and 5.0 GHz.
技术特性 Features
- 34 dBm P1dB
- Pout 26 dBm @ EVM = 2.5% (PAR=9.17 dB)
- 46 dBm OIP3
- 18.5 dB Gain
- 8V Voltage Supply
- Input Internally Matched
- 7x7mm Surface Mount Package
- Ideal for WiMAX Applications @ 5.8 GHz and
- Applications between 4 GHz and 5 GHz
- RoHS* Compliant and 260°C Reflow Compatible
订购信息 Ordering Information
- XP1044-QL-0N00 bulk quantity
- XP1044-QL-EV1 evaluation module for 4.9 GHz ~ 5.9 GHz
- XP1044-QL-EV2 evaluation module for 4.0 GHz ~ 5.0 GHz
|
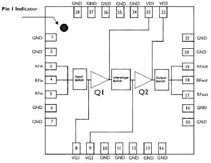
功能框图 Functional Block Diagram

|