XP1080-QU Power Amplifier 37.0-40.0 GHz
M/A-COM Tech’s four stage 37.0-40.0 GHz packaged GaAs MMIC power amplifier has a small signal gain of 25.0 dB with a +38.0 dBm Output Third Order Intercept. The amplifier contains an integrated, temperature compensated, on-chip power detector. This MMIC uses M/A-COM Tech’s GaAs pHEMT device model technology, and is based upon electron beam lithography to ensure high repeatability and uniformity. The device comes in a RoHS compliant 7x7mm QFN Surface Mount Package offering excellent RF and thermal properties. This device has been designed for use in 38 GHz Point-to-Point Microwave Radio applications.
技术特性 Features
- Linear Power Amplifier
- On-Chip Power Detector
- Output Power Adjust
- 25.0 dB Small Signal Gain
- +27.0 dBm P1dB Compression Point
- +38.0 dBm OIP3
- Lead-Free 7 mm 28-lead SMD Package
- RoHS* Compliant and 260°C Reflow Compatible
订购信息 Ordering Information
- XP1080-QU-0N00 bulk quantity
- XP1080-QU-0N0T tape and reel
- XP1080-QU-EV1 evaluation module
|
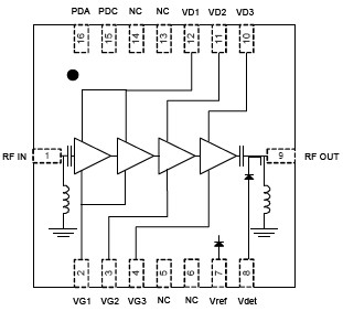
功能框图 Functional Block Diagram

|