XU1019-QH 37.0-40.0 GHz Up-ConverterQFN, 4x4mmPage
Mimix Broadband’s 37.0-40.0 GHz GaAs MMIC Intergrated Up-converter that has a typical conversion gain of 7 dB, and an image rejection of greater than 15 dBc. It has been optimized for USB operation. The device includes a LO doubler and buffer, and can be tuned to give 2xLO leakage of less than -25 dBm. Variable gain regulation can be achieved by adjusting the bias, with turn-down trajectories optimized to maintain linearity and minimal 2xLO leakage over the gain control range. At full gain, an OIP3 of 26 dBm is typical. The device comes in an RoHS compliant 4x4mm QFN surface mount package offering excellent RF and thermal properties. Typical application for this device are as an up-converter stage in a linear 38GHz radio transmit lineup. They device is well suited for Millimeter-wave Point-to-Point Radio, LMDS, SATCOM and VSAT applications.
技术特性 Features
- QHIntegrates Image Reject (Balanced) Mixer, LO Buffer,LO Doubler and RF Buffer
- 7 dB Conversion Gain (USB)
- -25 dBm (2x) LO Leakage (at RF Port)
- 26 dBm Output Third Order Intercept Point (OIP3)
- Variable Gain with Adjustable Bias
- 4x4mm QFN Package
- 100% RF and DC TestingElectrical
订购信息 Ordering Information
- XU1019-QH-0G00 Matte Tin plated RoHS compliant 4x4 24L QFN surface mount package in bulk quantity
- XU1019-QH-0G0T Matte Tin plated RoHS compliant 4x4 24L QFN surface mount package in tape and reel
- XU1019-QH-EV1 XU1019-QH evaluation board
|
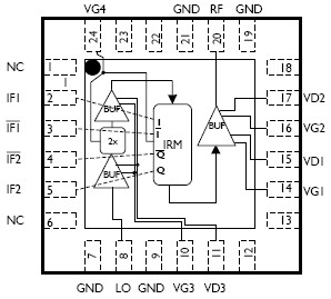
功能框图 Functional Block Diagram

XU1019-QH 产品实物图

|