XX1007-BD Doubler 13.5-17.0/27.0-34.0 GHz
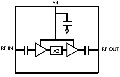
M/A-COM Tech’s 13.5-17.0 / 27.0-34.0 GHz GaAs MMIC doubler integrates a gain stage, passive doubler and driver amplifier onto a single device. The XX1007-BD has a self-biased architecture requiring a single positive supply (+5V) only and integrated on-chip bypassing capacitor eliminating the need for external capacitor. This MMIC uses M/A-COM Tech’s GaAs PHEMT device model technology, and is based upon electron beam lithography to ensure high repeatability and uniformity. The chip has integrated ESD structures for protection and surface passivation to protect and provide a rugged part with backside via holes and gold metallization to allow either a conductive epoxy or eutectic solder die attach process. This device is well suited for Millimeter wave Point-to-Point Radio, LMDS, SATCOM and VSAT applications.
技术特性 Features
- Integrated Gain, Doubler and Driver Stages
- Self-biased Architecture
- +21.0 dBm Output Saturated Power
- 40.0 dBc Fundamental Suppression
- On-Chip ESD Protection
- 100% On-Wafer RF, DC & Output Power Testing
- 100% Visual Inspection to MIL-STD-883 Method 2010
- RoHS* Compliant and 260°C Reflow Compatible
订购信息 Ordering Information
- XX1007-BD-000V “V” - vacuum release gel paks
- XX1007-BD-EV1 evaluation module
|
功能框图 Functional Block Diagram

|