XX1007-QT Doubler 13.5-17.0/27.0-34.0 GHz
M/A-COM Tech’s 13.5-17.0 / 27.0-34.0 GHz GaAs MMIC doubler integrates a gain stage, passive doubler and driver amplifier onto a single device. The XX1007-QT has a self-biased architecture requiring a single positive supply (+5V) only and integrated on-chip bypassing and DC blocking capacitors eliminating the need for any external components. This device uses M/A-COM Tech’s GaAs PHEMT device model technology, and is based upon electron beam lithography to ensure high repeatability and uniformity. The XX1007-QT has integrated ESD structures for protection and comes in a low cost 3x3mm QFN package. The device is well suited for Millimeter wave Point-to-Point Radio, LMDS, SATCOM and VSAT applications.
技术特性 Features
- Integrated Gain, Doubler and Driver Stages
- Single Positive Supply, +5V
- Integrated Bypassing Capacitor
- +20.0 dBm Output Saturated Power
- 35.0 dBc Fundamental Suppression
- On-Chip ESD Protection
- 100% RF, DC and Output Power Testing
- 3x3mm QFN Package
- RoHS* Compliant and 260°C Reflow Compatible
订购信息 Ordering Information
- XX1007-QT-0G00 bulk quantity
- XX1007-QT-0G0T tape and reel
- XX1007-QT-EV1 evaluation board
|
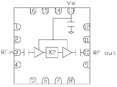
功能框图 Functional Block Diagram

|