RF5755 3.3V, Single-Band Front End Module
The RF5755 provides a complete integrated solution in a single Front End Module (FEM) for WiFi 802.11b/g/n and Bluetooth® systems. The ultra small form factor and integrated matching greatly reduces the number of external components and layout area in the customer application. This simplifies the total front end solution by reducing the bill of materials, system footprint, and manufacturability cost. The RF5755 integrates a 2.4GHz Power Amplifier (PA), Low Noise Amplifier (LNA), power detector coupler for improved accuracy, and some filtering for harmonic rejection. The RF5755 is capable of receiving WiFi and Bluetooth® simultaneously. The device is provided in a 3mm x 3mm x 0.5mm, 16-pin package. This module meets or exceeds the RF front end needs of IEEE 802.11b/g/n WiFi RF systems.
技术特性 Features
- Integrated 2.4GHz to 2.5GHz b/g/n Amplifier, LNA, SP3T Switch, and Power Detector Coupler
- Single Supply Voltage 3.0V to 4.8V
- POUT=19.5dBm, 11g, OFDM at <3.3% EVM, 22dBm 11b Meeting 11b Spectral Mask
- Low Height Package, Suited for SiP and CoB Designs
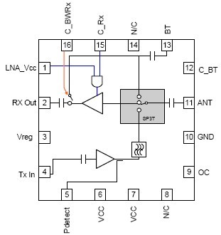
功能框图 Functional Block Diagram

订购信息 Ordering Information
- RF5755SQ Standard 25 piece bag
- RF5755SR Standard 100 piece reel
- RF5755TR7 Standard 2500 piece reel
- RF5755PCK-410 Fully Assembled Evaluation Board with 5 loose sample pieces
|
技术指标
| Functionality: |
PA, SP3T, LNA, and 2 Fo Rejection |
| 11g/n POUT (dBm): |
19 |
| 11b POUT (dBm): |
22 |
| 11b/g/n Gain (dB): |
30 |
| 11g/n EVM (%): |
3.3 |
| LNA Gain (dB): |
18 |
| LNA NF w/Switch (dB): |
2.1 |
| VSUPPLY (V): |
3.3 |
| 11g/n Operating Current (mA): |
170 |
| 11b Operating Current (mA): |
220 |
| Package: |
QFN |
应用领域 Applications
- Cellular handsets
- Mobile devices
- Tablets
- Consumer electronics
- Gaming
- Netbooks/Notebooks
- TV/monitors/video
- SmartEnergy
产品实物图

|
订购信息 Ordering Information
| 订购型号 |
MOQ* |
INC* |
Packaging and Shipping Details |
QTY |
Per 1 EA |
| RF5755SQ |
25 EA |
25 EA |
Standard 25 Piece Bag Shipping From Greensboro |
1+ |
$3.19 |
| RF5755SR |
100 EA |
100 EA |
Standard 100 Piece 7" Short Reel Shipping From Greensboro |
100+ |
$2.23 |
| RF5755TR13 |
2500 EA |
2500 EA |
Standard 2500 Piece 13" Reel Shipping From Greensboro |
750+ |
$1.55 |
| RF5755TR7 |
2500 EA |
2500 EA |
Standard 2500 Piece 7" Reel Shipping From Greensboro |
|
|
| RF5755PCK-410 |
1 EA |
1 EA |
Standard 1 Shipping From Greensboro |
1+ |
$150.00 |