RFFM6901 2.8V to 4.2V, 915MHz ISM Band Transmit/ Receive Module with Diversity Switch
The RFFM6901 is a single-chip front end module (FEM) for application in the 915MHz ISM Band. The RFFM6901 addresses the need for aggressive size reduction for typical portable equipment RF front end designs and greatly reduces the number of components outside of the core chipset thus minimizing the footprint and assembly cost of the overall solution. The RFFM6901 contains an integrated 1W PA, dual port diversity antenna switch, LNA with bypass mode, and matching components. The RFFM6901 is packaged in a 32-pin, 6.0mm x 6.0mm x 1.2mm over-molded laminate package.
技术特性 Features
- Tx Output Power: 30dBm
- Separate Rx/Tx 50Ω Transceiver Interface
- Antenna Diversity Switch
- LNA with Bypass mode
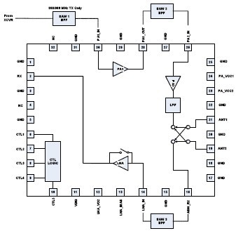
功能框图 Functional Block Diagram

订购信息 Ordering Information
- RFFM6901P ISM Band Transmit/Receive Module with Diversity
Antenna Switch
- RFFM6901SB 5-Piece Bag
- RFFM6901SR Standard 100-Piece Reel
- RFFM6901TR13 Standard 2500-Piece Reel
- RFFM6901PCK-410 Fully Assembled Evaluation Board and 5-Piece Bag
|
技术指标
| Frequency Range (Min) (MHz): |
868 |
| Frequency Range (Max) (MHz): |
928 |
| PA Gain (dB): |
30 |
| POUT (dBm): |
30 |
| OP1dB (dBm): |
30.5 |
| PA ISUPPLY (mA): |
600 |
| Efficiency (%): |
62 |
| Switch Type: |
DPDT |
| Package: |
Module-32 |
应用领域 Applications
- Wireless Automated Metering
- Wireless Alarm Systems
- Portable Battery Powered Equipment
- Smart Energy
- 868MHz/915MHz ISM Band Application
- Single Chip RF Front End Module
产品实物图

|