RFMX1015 Differential IF Down-Converter, 1500MHz to 2200MHz
The RFMX1015 is a high linearity down-converter module designed for use in Cellular, 3G, LTE, and other high performance communications systems. The RFMX1015 contains an integrated LO buffer amp and a passive mixer core with an amplified differential IF output. The integrated LO buffer lowers the LO drive requirement to a friendly 0dBm typical. The RFMX1015 supports both low and high-side LO injection for IF frequencies up to 300MHz. The RFMX1015 also offers an adjustable IP3 range via the IFBIAS pin. Users can lower the IF amplifier DC current to save DC power when they don't require the device's peak linearity performance.
技术特性 Features
- RF Frequency: 1500MHz to 2200MHz
- LO Frequency: 1400MHz to 2400MHz
- IF Frequency: 50MHz to 300MHz
- Operates Both High and Low-Side LO
- Conversion Gain: 7.5dB (IF=50MHz)
- Input IP3: 29dBm
- Input P1dB: 14dBm
- Adjustable Current and IP3 (via IFBIAS)
- Single +5V Supply
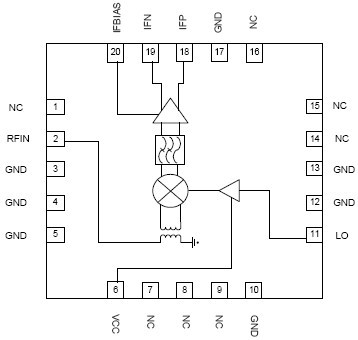
功能框图 Functional Block Diagram

订购信息 Ordering Information
- RFMX1015SQ Sample Bag with 25 pieces
- RFMX1015SR 7” Reel with 100 pieces
- RFMX1015TR7 7” Reel with 750 pieces
- RFMX1015TR13 13” Reel with 2500 pieces
- RFMX1015PCK-410 1300MHz to 2200MHz PCBA with 5-piece Sample Bag
|
技术指标
| Frequency Range (Min) (MHz): |
1300 |
| Frequency Range (Max) (MHz): |
2200 |
| IF Frequency (Min) (MHz): |
50 |
| IF Frequency (Max) (MHz): |
300 |
| Local Oscillator Frequency (Min) (MHz): |
1200 |
| Local Oscillator Frequency (Max) (MHz): |
2400 |
| Conversion Gain (dB): |
8.5 |
| OIP3 (dBm): |
37.5 |
| LO Input Power (Min) (dBm): |
-3 |
| LO Input Power (Max) (dBm): |
3 |
Bias
(mA at V): |
200 |
| Package: |
MCM |
应用领域 Applications
- Cellular, 3G Infrastructure
- WiBro, WiMax LTE
- Wireless Backhaul
- High Performance Communications Systems
- GMSK, QPSK, DQPSK, QAM Modulation
产品实物图

|
订购信息 Ordering Information
| 订购型号 |
MOQ* |
INC* |
Packaging and Shipping Details |
QTY |
Per 1 EA |
| RFMX1015SQ |
25 EA |
25 EA |
Standard 25 Piece Bag Shipping From Greensboro |
1+ |
$10.01 |
| RFMX1015SR |
100 EA |
100 EA |
Standard 100 Piece 7" Short Reel Shipping From Greensboro |
100+ |
$7.00 |
| RFMX1015TR7 |
750 EA |
750 EA |
Standard 750 Piece 7" Reel Shipping From Greensboro |
750+ |
$4.67 |
| RFMX1015TR13 |
2500 EA |
2500 EA |
Standard 2500 Piece 13" Reel Shipping From Greensboro |
|
|
| RFMX1015PCK-410 |
1 EA |
1 EA |
Standard 1 Shipping From Greensboro |
1+ |
$150.00 |