RFRX1701 17.7GHz to 26.5GHz GaAs MMIC IQ Downconverterr
The RFRX1701 is a 17.7GHz to 26.5GHz GaAs pHEMT downconverter, incorporating a low-noise amplifier, an integrated X2 LO frequency multiplier and buffer amplifier, and an image rejection mixer. The combination of high performance part and low cost packaging makes the RFRX1701 a cost effective solution, ideally suited to both current and next generation Point-to-Point Microwave Radio and Satellite Applications. RFRX1701 is packaged in a 5mm x 5mm QFN to simplify both system level board design and volume assembly.
技术特性 Features
- RF Frequency = 17.7GHz to 26.5GHz
- LO Frequency = 6.85GHz to 15.25GHz
- IF Frequency = DC to 4GHz
- Conversion Gain = 13dB
- Noise Figure = 2.5dB
- IIP3 = 6dBm
- Image Rejection = 15dB
- Low Cost 5mm x 5mm QFN Package
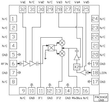
功能框图 Functional Block Diagram

产品实物图

|
技术指标
| Frequency Range (Min) (MHz): |
17700 |
| Frequency Range (Max) (MHz): |
26500 |
| IF Frequency (Min) (MHz): |
0 |
| IF Frequency (Max) (MHz): |
4000 |
| Local Oscillator Frequency (Min) (MHz): |
6850 |
| Local Oscillator Frequency (Max) (MHz): |
15250 |
| Package: |
QFN |
应用领域 Applications
- Point-Point Radio
- Point-Multipoint Radio
- Satellite Communications
- Radar
- Electronic Warfare
订购信息 Ordering Information
- RFRX1701S2 2-piece sample bag
- RFRX1701SB 5-piece bag
- RFRX1701SQ 25-piece bag
- RFRX1701SR 100 pieces
- RFRX1701TR7 750 pieces on a 7” reel
- RFRX1701PCBA-410 Evaluation Board
|
订购信息 Ordering Information
| 订购型号 |
MOQ* |
INC* |
Packaging and Shipping Details |
QTY |
Per 1 EA |
| RFRX1701SB |
5 EA |
5 EA |
Standard 5 Piece Bag Shipping From Greensboro |
1+ |
$61.29 |
| RFRX1701SQ |
25 EA |
25 EA |
Standard 25 Piece Bag Shipping From Greensboro |
100+ |
$42.84 |
| RFRX1701SR |
100 EA |
100 EA |
Standard 100 Piece 7" Short Reel Shipping From Greensboro |
750+ |
$29.80 |
| RFRX1701TR7 |
750 EA |
750 EA |
Standard 750 Piece 7" Reel Shipping From |
|
|
| RFRX1701PCBA-410 |
1 EA |
1 EA |
Standard 1 Shipping From Greensboro |
1+ |
$400.00 |