STLC3055N WLL and ISDN-TA subscriber line interface circuit

The STLC3055N is a SLIC device specifically designed for wireless local loop (WLL) and ISDNterminal adaptors (ISDN-TA) and VoIP applications. One of the distinctive characteristic of this device is the ability to operate with a single supply voltage (from 5.5 V to 12 V) and self generate the negative battery by means of an on chip DC/DC converter controller that drives an external MOS switch.

The battery level is properly adjusted depending on the operating mode. A useful characteristic for these applications is the integrated ringing generator.

The control interface is a parallel type with open drain output and 3.3 V logic levels.

The metering pulses are generated on chip starting from two logic signals (0 and 3.3 V) one define the metering pulse frequency and the other the metering pulse duration. An on chip circuit then provides the proper shaping and filtering.

Metering pulse amplitude and shaping (rising and decay time) can be programmed by external components. A dedicated cancellation circuit avoid possible codec input saturation due to metering pulse echo.

Constant current feed can be set from 20 mA to 40 mA. Off-hook detection threshold is programmable from 5 mA to 9 mA.

The device, developed in BCD III S technology (90 V process), operates in the extended temperature range and integrates a thermal protection that sets the device in power down when Tj exceeds 140 °C.

技术特性
  • Monochip subscriber line interface circuit (SLIC) optimised for WLL and VoIP applications
  • Implement all key features of the BORSHT function
  • Single supply (5.5 V to 12 V)
  • Built in DC/DC converter controller
  • Soft battery reversal with programmable transition time.
  • On-hook transmission.
  • Programmable off-hook detector threshold
  • Metering pulse generation and filter
  • Integrated ringing
  • Integrated ring trip
  • Parallel control interface (3.3 V logic level)
  • Programmable constant current feed
  • Surface mount package
  • Integrated thermal protection
  • Dual gain value option
  • BCD III S, 90 V technology
  • -40 to +85 °C operating range
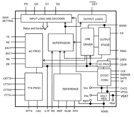
功能框图
STLC3055N 订购信息
订购型号 产品状态 美金价格 数量 封装 包装形式 温度范围 材料声明
E-STLC3055N Active     LQFP 44 10x10x1.4 Tray   E-STLC3055N
STLC3055N Active     LQFP 44 10x10x1.4 Tray   STLC3055N
DATASHEET
描述 版本 大小
STLC3055N : WLL and ISDN-TA subscriber line interface circuit 11 320KB
APPLICATION NOTES
描述 版本 大小
AN2117: STLC3055N SINGLE SUPPLY SLIC FOR WILL APPLICATION 2 166KB
USER MANUALS
描述 版本 大小
UM0270: Evaluation board with STLC3055N SLIC for WLL 1 375KB