STM32F100xx超值型产品系列使用高性能ARM Cortex™-M3 32位RISC内核,工作频率为24MHz,内置高速存储器(多达128K字节的闪存和16K字节的SRAM),丰富的增强I/O端口和联接到两条APB总线的外设。 所有型号的器件都包含标准的通信接口(2个2I²C接口、2个SPI接口、一个HDMI CEC和多达3个USART接口),一个12位的ADC,两个12位DAC,最多达6个通用型定时器和一个高级控制PWM定时器。
STM32F100xx中低容量超值型产品系列的工作温度范围为–40至+85°C和–40至+105°C,供电电压为2.0至3.6 V。 一系列的省电模式保证低功耗应用的要求。
这些丰富的特性使得STM32F100xx超值型产微控制器系列适用于多种应用,如应用控制和用户界面,医疗和手持式设备,PC和游戏机外设,GPS平台,工业应用,PLC,变频器,打印机,扫描仪,警报系统,视频对讲和HVAC等。
技术特性
- 内核:ARM 32位Cortex™-M3 CPU
- 24 MHz maximum frequency,1.25 DMIPS/MHz (Dhrystone 2.1) performance
- Single-cycle multiplication and hardware division
- 存储器
- 16 to 128 Kbytes of Flash memory
- 时钟、复位和电源管理
- 2.0 to 3.6 V application supply and I/Os
- POR, PDR and programmable voltage detector (PVD)
- 4-to-24 MHz crystal oscillator
- Internal 8 MHz factory-trimmed RC
- 32 kHz oscillator for RTC with calibration
- 低功耗
- Sleep, Stop and Standby modes
- VBATsupply for RTC and backup registers
- 调试模式
- Serial wire debug (SWD) and JTAG interfaces
- DMA
- Peripherals supported: timers, ADC, SPIs, I²Cs, USARTs and DACs
- 1个12位、1.2 μs A/D转换器(多达16个通道)
- Conversion range: 0 to 3.6 V
- 2个12位D/A转换器
- 多达80个快速I/O端口
- 37/51/80 I/Os, all mappable on 16 external interrupt vectors and almost all 5 V-tolerant
- 多达12个计时器
- Up to three 16-bit timers, each with up to 4 IC/OC/PWM or pulse counter
- 16-bit, 6-channel advanced-control timer: up to 6 channels for PWM output, dead time generation and emergency stop
- One 16-bit timer, with 2 IC/OC, 1 OCN/PWM, dead-time generation and emergency stop
- Two 16-bit timers, each with IC/OC/OCN/PWM, dead-time generation and emergency stop
- 2 watchdog timers (Independent and Window)
- SysTick timer: 24-bit downcounter
- Two 16-bit basic timers to drive the DAC
- 多达8个通信接口
- Up to two I²C interfaces (SMBus/PMBus)
- Up to 3 USARTs (ISO 7816 interface, LIN, IrDA capability, modem control)
- Consumer electronics control (CEC) interface
- CRC计算单元,96位唯一ID
- ECOPACK®封装
|
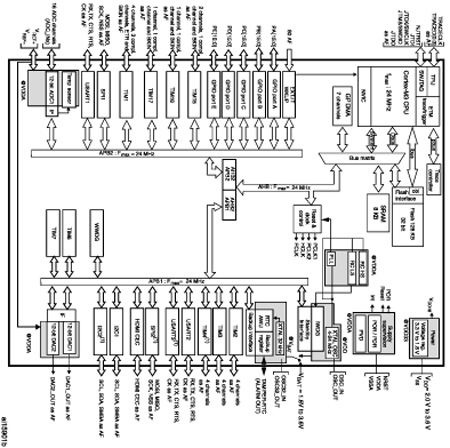
功能框图
 |
| 描述 |
版本 |
大小 |
| AN3155: USART protocol used in the STM32™ bootloader |
2 |
573KB |
| AN2945: STM8S and STM32™ MCUs: a consistent 8/32-bit product line for painless migration |
1 |
213KB |
| AN2606: STM32™ microcontroller system memory boot mode |
14 |
877KB |
| AN3078: STM32™ in-application programming over the I²C bus |
1 |
671KB |
| AN3116: STM32™'s ADC modes and their applications |
1 |
236KB |
| AN4023: STM32 secure firmware upgrade (SFU) overview |
1 |
41KB |
| AN3429: STM32 proprietary code protection overview |
1 |
61KB |
| AN4013: STM32F1xx, STM32F2xx, STM32F4xx, STM32L1xx timer overview |
1 |
200KB |
| AN2824: STM32F10xxx I²C optimized examples |
4 |
123KB |
| AN2868: STM32F10xxx internal RC oscillator (HSI) calibration |
1 |
189KB |
| AN2557: STM32F10x in-application programming using the USART |
8 |
215KB |
| AN2639: Soldering recommendations and package information for Lead-free ECOPACK® microcontrollers |
2 |
209KB |
| AN1015: Software techniques for improving microcontroller EMC performance |
1 |
105KB |
| AN2867: Oscillator design guide for STM8S, STM8A, and STM32F1 microcontrollers |
6 |
280KB |
| AN3422: Migration of microcontroller applications from STM32F1 to STM32L1 series |
2 |
312KB |
| AN3364: Migration and compatibility guidelines for STM32 microcontroller applications |
3 |
128KB |
| AN4088: Migrating from STM32F1 to STM32F0 |
1 |
919KB |
| AN3427: Migrating a microcontroller application from STM32F1 to STM32F2 series |
1 |
377KB |
| AN3070: Managing the Driver Enable signal for RS-485 and IO-Link communications with the STM32™’s USART |
1 |
192KB |
| AN3174: Implementing receivers for infrared remote control protocols using STM32F10xxx microcontrollers |
2 |
592KB |
| AN3307: Guidelines for obtaining IEC60335 Class B certification in any STM32F1xx application |
2 |
340KB |
| AN2586: STM32F10xxx硬件开发使用入门 |
2 |
682KB |
| AN2586: Getting started with STM32F10xxx hardware development |
7 |
417KB |
| AN1709: EMC design guide for ST microcontrollers |
1 |
657KB |
| AN1181: Electrostatic discharge sensitivity measurement |
1 |
59KB |
| AN3109: Communication peripheral FIFO emulation with DMA and DMA timeout in STM32F10x microcontrollers |
1 |
110KB |
| AN3127: CEC networking using STM32F100xx value line microcontrollers |
2 |
555KB |
| AN3126: Audio and waveform generation using the DAC in STM32 microcontroller families |
1 |
648KB |
| Part Number |
描述 |
| STM-STUDIO |
STM Studio run-time variables monitoring and visualization tool |
| STM320518-EVAL |
Evaluation board for STM32 F0 series - with STM32F051 MCU |
| STVP |
ST Visual Programmer for programming ST7, STM8, STM8T and STM32 |
| STM32F0DISCOVERY |
Discovery kit for STM32 F0 series - with STM32F051 MCU |
| ST-LINK |
In-circuit debugger and programmer for STM8 and STM32 MCUs; with IAR EWARM and Keil RVMDK and ST toolset |
| STX-PRO/RAIS |
Unlimited in-circuit debugging/programming tool for STM32, STR7 and STR9 |
| MicroXplorer |
MCU graphical configuration tool |
| ST-LINK/V2 |
ST-LINK/V2 in-circuit debugger/programmer for STM8 and STM32 |
| STX-RLINK |
In-circuit debugger/programmer supporting JTAG and ICC protocols for STM8, ST7, uPSD, STM32, STR7 and STR9 microcontrollers |