STM32F101T4 Mainstream Access line, ARM Cortex-M3 MCU with 16 Kbytes Flash, 36 MHz CPU

STM32F101x4和STM32F101x6小容量基本型产品系列集成了工作频率为36MHz的高性能ARM Cortex™-M3 32位RISC内核、高速嵌入式存储器(16~32K字节Flash存储器和4~6K字节SRAM),和大量连至2条APB总线的增强型I/O与外设。 所有型号产品均带有标准通信接口2(1个I²C、1个SPI和2个USART)、1个12位ADC和2个16位通用定时器。

STM32F101xx小容量基本型产品系列的工作温度范围是–40~+85°C,供电电压范围是2.0~3.6V。 适于设计低功耗应用的一组完整的节电模式。

STM32F101xx小容量基本型产品系列提供从36引脚至64引脚的3种不同封装选项。 不同的产品型号,包含的外设组合也不同。该系列器件的外设组合如下所述。

这些特性让STM32F101xx小容量基本型微控制器产品系列成为各种应用的理想之选,例如应用控制和用户接口、医疗和手持式设备、PC外设、游戏和GPS平台、工业应用、PLC、逆变器、打印机、扫描仪、警报系统、视频电话和HVAC。

技术特性
  • 内核:ARM 32位Cortex™-M3 CPU
    • 36 MHz maximum frequency,1.25 DMIPS/MHz (Dhrystone 2.1) performance at 0 wait state memory access
    • Single-cycle multiplication and hardware division
  • 存储器
    • 16 to 32 Kbytes of Flash memory
    • 4 to 6 Kbytes of SRAM
  • 时钟、复位和电源管理
    • 2.0 to 3.6 V application supply and I/Os
    • POR, PDR and programmable voltage detector (PVD)
    • 4-to-16 MHz crystal oscillator
    • Internal 8 MHz factory-trimmed RC
    • Internal 40 kHz RC
    • PLL for CPU clock
    • 32 kHz oscillator for RTC with calibration
  • 低功耗
    • Sleep, Stop and Standby modes
    • VBAT supply for RTC and backup registers
  • 调试模式
    • Serial wire debug (SWD) and JTAG interfaces
  • DMA
    • 7-channel DMA controller
    • Peripherals supported: timers, ADC, SPIs, I²Cs and USARTs
  • 1个12位、1μs A/D转换器(多达16通道)
    • Conversion range: 0 to 3.6 V
    • Temperature sensor
  • 多达51个高速I/O端口
    • 26/37/51 I/Os, all mappable on 16 external interrupt vectors and almost all 5 V-tolerant
  • 多达5个定时器
    • Up to two16-bit timers, each with up to 4 IC/OC/PWM or pulse counter
    • 2 watchdog timers (Independent and Window)
    • SysTick timer: 24-bit downcounter
  • 多达4个通信接口
    • 1 x I²C interface (SMBus/PMBus)
    • Up to 2 USARTs (ISO 7816 interface, LIN, IrDA capability, modem control)
    • 1 × SPI (18 Mbit/s)
  • CRC计算单元、96位唯一ID
  • ECOPACK®封装
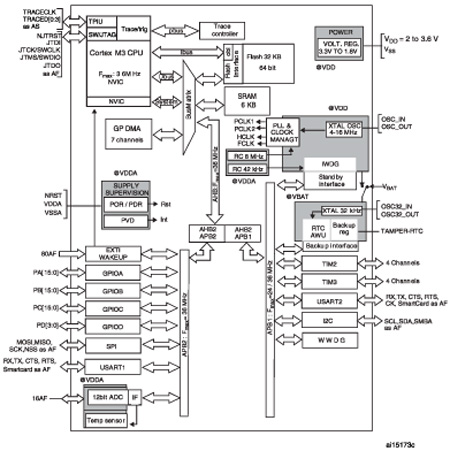
功能框图
STM32F101T4 订购信息
订购型号 产品状态 美金价格 数量 封装 包装形式 温度范围 材料声明
STM32F101T4U6A Active 1.555 1000 VFQFPN 36 6x6x1-0 Tray -40 °C-85 °C STM32F101T4U6A
DATASHEET
描述 版本 大小
STM32F101T4 : 小容量基本型,32位基于ARM核心的带16或32K字节闪存的微控制器 5个定时器、1个ADC 、4个通信接口 2 1342KB
STM32F101T4 : DS5935: Low-density access line, ARM-based 32-bit MCU with 16 or 32 KB Flash, 5 timers, ADC and 4 communication interfaces 5 1111KB
APPLICATION NOTES
描述 版本 大小
AN2548: 使用STM32F101xx和STM32F103xx DMA控制器 2 265KB
AN2548: Using the STM32F101xx and STM32F103xx DMA controller 3 142KB
AN2945: STM8S and STM32™ MCUs: a consistent 8/32-bit product line for painless migration 1 213KB
AN2606: STM32™ microcontroller system memory boot mode 14 877KB
AN3078: STM32™ in-application programming over the I²C bus 1 671KB
AN3116: STM32™'s ADC modes and their applications 1 236KB
AN4023: STM32 secure firmware upgrade (SFU) overview 1 41KB
AN3429: STM32 proprietary code protection overview 1 61KB
AN4013: STM32F1xx, STM32F2xx, STM32F4xx, STM32L1xx timer overview 1 200KB
AN2824: STM32F10xxx I²C optimized examples 4 123KB
AN2868: STM32F10xxx internal RC oscillator (HSI) calibration 1 189KB
AN2557: STM32F10x in-application programming using the USART 8 215KB
AN2629: STM32F101xx, STM32F102xx and STM32F103xx low-power modes 2 496KB
AN2639: Soldering recommendations and package information for Lead-free ECOPACK® microcontrollers 2 209KB
AN1015: Software techniques for improving microcontroller EMC performance 1 105KB
AN2598: 使用STM32F101xx和STM32F103xx的智能卡接口 2 651KB
AN2598: Smartcard interface with the STM32F10x microcontrollers 3 501KB
AN2867: Oscillator design guide for STM8S, STM8A, and STM32F1 microcontrollers 6 280KB
AN3422: Migration of microcontroller applications from STM32F1 to STM32L1 series 2 312KB
AN3364: Migration and compatibility guidelines for STM32 microcontroller applications 3 128KB
AN4088: Migrating from STM32F1 to STM32F0 1 919KB
AN3427: Migrating a microcontroller application from STM32F1 to STM32F2 series 1 377KB
AN3070: Managing the Driver Enable signal for RS-485 and IO-Link communications with the STM32™’s USART 1 192KB
AN3174: Implementing receivers for infrared remote control protocols using STM32F10xxx microcontrollers 2 592KB
AN2953: How to migrate from the STM32F10xxx firmware library V2.0.3 to the STM32F10xxx standard peripheral library V3.0.0 1 1251KB
AN2834: 如何在STM32F10xxx上得到最佳的ADC精度 1 610KB
AN3307: Guidelines for obtaining IEC60335 Class B certification in any STM32F1xx application 2 340KB
AN2586: STM32F10xxx硬件开发使用入门 2 682KB
AN2586: Getting started with STM32F10xxx hardware development 7 417KB
AN1709: EMC design guide for ST microcontrollers 1 657KB
AN1181: Electrostatic discharge sensitivity measurement 1 59KB
AN2594: EEPROM emulation in STM32F10x microcontrollers 3 156KB
AN3109: Communication peripheral FIFO emulation with DMA and DMA timeout in STM32F10x microcontrollers 1 110KB
AN3126: Audio and waveform generation using the DAC in STM32 microcontroller families 1 648KB
ERRATA SHEETS
描述 版本 大小
STM32F101x4/6、STM32F102x4/6和STM32F103x4/6 小容量产品的使用限制 2 257KB
ES0117: STM32F101x4/6, STM32F102x4/6 and STM32F103x4/6 low-density device limitations 6 254KB
LICENSE AGREEMENTS
描述 版本 大小
MCU software licence agreement liberty v2 2.0 18KB
MCU software licence agreement image v2 2.0 17KB
PROGRAMMING MANUALS
描述 版本 大小
PM0056: STM32F10xxx/20xxx/21xxx/L1xxxx Cortex-M3 programming manual 4 1315KB
PM0075: STM32F10xxx Flash memory microcontrollers 1 245KB
REFERENCE MANUALS
描述 版本 大小
RM0008: STM32F101xx, STM32F102xx、STM32F103xx、STM32F105xx 和STM32F107xx,ARM内核32位高性能微控制器 10 13972KB
RM0008: STM32F101xx, STM32F102xx, STM32F103xx, STM32F105xx and STM32F107xx advanced ARM-based 32-bit MCUs 14 9201KB
TECHNICAL NOTES
描述 版本 大小
TN0072: Software toolchains and STM32 features 2 100KB
TN0830: How to use EWARM 6.2x with projects built with EWARM 6.1 and previous versions 1 98KB
USER MANUALS
描述 版本 大小
UM0424: STM32 USB-FS-Device development kit 11 1175KB
UM0462: STM32™ and STM8™ Flash loader demonstrator 7 1673KB
UM1029: Communication peripheral application library (CPAL) 2 549KB
UM0685: CEC (consumer electronic control) C library using the STM32F101xx, STM32F102xx and STM32F103xx microcontrollers 3 874KB
PRODUCT PRESENTATIONS
描述 版本 大小
STM32 F1 firmware library for easySPIN (L6474) motor driver - quick guide 1.0.0 383KB
STM32 - 32-bit ARM Cortex-M MCUs marketing presentation 1.2 2282KB
BOARDS AND TOOLS
Part Number 描述
STM-STUDIO STM Studio run-time variables monitoring and visualization tool
STM320518-EVAL Evaluation board for STM32 F0 series - with STM32F051 MCU
STVP ST Visual Programmer for programming ST7, STM8, STM8T and STM32
STM32F0DISCOVERY Discovery kit for STM32 F0 series - with STM32F051 MCU
ST-LINK In-circuit debugger and programmer for STM8 and STM32 MCUs; with IAR EWARM and Keil RVMDK and ST toolset
STX-PRO/RAIS Unlimited in-circuit debugging/programming tool for STM32, STR7 and STR9
MicroXplorer MCU graphical configuration tool
ST-LINK/V2 ST-LINK/V2 in-circuit debugger/programmer for STM8 and STM32
STX-RLINK In-circuit debugger/programmer supporting JTAG and ICC protocols for STM8, ST7, uPSD, STM32, STR7 and STR9 microcontrollers
DEVICE PROGRAMMERS
描述 版本 大小
Production programming solutions for the STM32 1.0.3 155KB
FIRMWARE
描述 版本 大小
How to achieve 32-bit timer resolution using the link system in STM32F101xx and STM32F103xx microcontrollers 3.0.0 1108KB
STM32F101xx and STM32F103xx low-power modes 2.0.0 1394KB
STM32F10xxx Speex library firmware STM32, StdPeriph Lib, speex, audio 2.0.0 1786KB
STM32F10xxx DSP library firmware 2.0.0 1392KB
Archive for legacy STM32F10xxx Firmware Library V2.0.3 and all related Firmware packages 2.0.3 23428KB
CEC (consumer electronic control) C library using the STM32F101xx, STM32F102xx and STM32F103xx microcontrollers 2.0.0 1692KB
STM32F10x standard peripheral library 3.5.0 21617KB
STM32F1xx motor control firmware library for the L6470 dSPIN IC 1.0.0 675KB
Implementing receivers for infrared remote control protocols using STM32F1 microcontrollers 2.0 12984KB
STM32 I²C Communication peripheral application library 1.1.0 1960KB
STM32 embedded GUI library 2.0.0 25243KB
STM32F1xx motor control firmware for easySPIN L6474 1.0.1 1353KB
STM8 and STM32 embedded software solutions 1.0.1 1139KB
STM32F10x and STM32L1xx USB full-speed device library 3.4.0 4030KB
SW DEMOS
描述 版本 大小
STM32 and STM8 Flash loader demonstrator 2.5.0 6449KB
SW DRIVERS
描述 版本 大小
Communication peripheral FIFO emulation with DMA and DMA timeout in STM32F10x microcontrollers 1.0 1224KB
BSDL MODELS
描述 版本 大小
STM32 Boundary Scan Description Language (BSDL) files 3.0.0 196KB
MARKETING BROCHURES
描述 版本 大小
BRSTM320512 : STM32 MCU family 1.0 1064KB