STM32F101xC、STM32F101xD和STM32F101xE基本型系列产品集成了工作频率为36MHz的高性能ARM ®Cortex™-M3 32位RISC内核、高速嵌入式存储器(Flash存储器和SRAM的容量分别高达512K字节和48K字节),和大量连至2条APB总线的增强型I/O与外设。 所有型号的产品均带有1个12位ADC和4个16位通用定时器,以及标准与高级通信接口:22个I²C、3个SPI和5个USART。
这些特性让STM32F101xx大容量基本型微控制器系列成为各种应用的理想之选,例如医疗和手持式设备、PC和游戏外设、GPS平台、工业应用、PLC、打印机、扫描仪、警报系统和视频电话。
技术特性
- 内核:ARM 32位Cortex™-M3 CPU
- 36 MHz maximum frequency,1.25 DMIPS/MHz (Dhrystone 2.1) performance
- Single-cycle multiplication and hardware division
- 存储器
- 256 to 512 Kbytes of Flash memory
- Flexible static memory controller with 4 Chip Select. Supports Compact Flash, SRAM, PSRAM, NOR and NAND memories
- LCD parallel interface, 8080/6800 modes
- 时钟、复位和电源管理
- 2.0 to 3.6 V application supply and I/Os
- POR, PDR, and programmable voltage detector (PVD)
- 4-to-16 MHz crystal oscillator
- Internal 8 MHz factory-trimmed RC
- Internal 40 kHz RC with calibration capability
- 32 kHz oscillator for RTC with calibration
- 低功耗
- Sleep, Stop and Standby modes
- VBAT supply for RTC and backup registers
- 1个12位、1μs A/D转换器(多达16通道)
- Conversion range: 0 to 3.6 V
- 2个12位D/A转换器
- DMA
- 12-channel DMA controller
- Peripherals supported: timers, ADC, DAC, SPIs, I²Cs and USARTs
- 多达112个高速I/O端口
- 51/80/112 I/Os, all mappable on 16 external interrupt vectors and almost all 5 V-tolerant
- 调试模式
- Serial wire debug (SWD) & JTAG interfaces
- Cortex-M3 Embedded Trace Macrocell™
- 多达9个定时器
- Up to four 16-bit timers, each with up to 4 IC/OC/PWM or pulse counters
- 2 × watchdog timers (Independent and Window)
- SysTick timer: a 24-bit downcounter
- 2 × 16-bit basic timers to drive the DAC
- 多达10个通信接口
- Up to 2 x I²C interfaces (SMBus/PMBus)
- Up to 5 USARTs (ISO 7816 interface, LIN, IrDA capability, modem control)
- CRC计算单元、96位唯一ID
- ECOPACK®封装
|
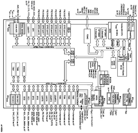
功能框图
 |
| 描述 |
版本 |
大小 |
| AN2812: Vocoder demonstration using a Speex audio codec on STM32F101xx and STM32F103xx microcontrollers |
2 |
257KB |
| AN2784: 使用大容量STM32F10xxx的FSMC 驱动外部的存储器 |
1 |
716KB |
| AN2784: Using the high-density STM32F10xxx FSMC peripheral to drive external memories |
4 |
299KB |
| AN2790: TFT LCD interfacing with the high-density STM32F10xxx FSMC |
2 |
823KB |
| AN2945: STM8S and STM32™ MCUs: a consistent 8/32-bit product line for painless migration |
1 |
213KB |
| AN2606: STM32™ microcontroller system memory boot mode |
14 |
877KB |
| AN3078: STM32™ in-application programming over the I²C bus |
1 |
671KB |
| AN3116: STM32™'s ADC modes and their applications |
1 |
236KB |
| AN4023: STM32 secure firmware upgrade (SFU) overview |
1 |
41KB |
| AN3429: STM32 proprietary code protection overview |
1 |
61KB |
| AN4013: STM32F1xx, STM32F2xx, STM32F4xx, STM32L1xx timer overview |
1 |
200KB |
| AN2824: STM32F10xxx I²C optimized examples |
4 |
123KB |
| AN2868: STM32F10xxx internal RC oscillator (HSI) calibration |
1 |
189KB |
| AN2557: STM32F10x in-application programming using the USART |
8 |
215KB |
| AN2629: STM32F101xx, STM32F102xx and STM32F103xx low-power modes |
2 |
496KB |
| AN2639: Soldering recommendations and package information for Lead-free ECOPACK® microcontrollers |
2 |
209KB |
| AN1015: Software techniques for improving microcontroller EMC performance |
1 |
105KB |
| AN2598: 使用STM32F101xx和STM32F103xx的智能卡接口 |
2 |
651KB |
| AN2598: Smartcard interface with the STM32F10x microcontrollers |
3 |
501KB |
| AN2867: Oscillator design guide for STM8S, STM8A, and STM32F1 microcontrollers |
6 |
280KB |
| AN3422: Migration of microcontroller applications from STM32F1 to STM32L1 series |
2 |
312KB |
| AN3364: Migration and compatibility guidelines for STM32 microcontroller applications |
3 |
128KB |
| AN4088: Migrating from STM32F1 to STM32F0 |
1 |
919KB |
| AN3427: Migrating a microcontroller application from STM32F1 to STM32F2 series |
1 |
377KB |
| AN3070: Managing the Driver Enable signal for RS-485 and IO-Link communications with the STM32™’s USART |
1 |
192KB |
| AN3174: Implementing receivers for infrared remote control protocols using STM32F10xxx microcontrollers |
2 |
592KB |
| AN2953: How to migrate from the STM32F10xxx firmware library V2.0.3 to the STM32F10xxx standard peripheral library V3.0.0 |
1 |
1251KB |
| AN2834: 如何在STM32F10xxx上得到最佳的ADC精度 |
1 |
610KB |
| AN3307: Guidelines for obtaining IEC60335 Class B certification in any STM32F1xx application |
2 |
340KB |
| AN2586: STM32F10xxx硬件开发使用入门 |
2 |
682KB |
| AN2586: Getting started with STM32F10xxx hardware development |
7 |
417KB |
| AN1709: EMC design guide for ST microcontrollers |
1 |
657KB |
| AN1181: Electrostatic discharge sensitivity measurement |
1 |
59KB |
| AN2594: EEPROM emulation in STM32F10x microcontrollers |
3 |
156KB |
| AN3109: Communication peripheral FIFO emulation with DMA and DMA timeout in STM32F10x microcontrollers |
1 |
110KB |
| AN3126: Audio and waveform generation using the DAC in STM32 microcontroller families |
1 |
648KB |
| Part Number |
描述 |
| STM-STUDIO |
STM Studio run-time variables monitoring and visualization tool |
| STM320518-EVAL |
Evaluation board for STM32 F0 series - with STM32F051 MCU |
| STVP |
ST Visual Programmer for programming ST7, STM8, STM8T and STM32 |
| STM32F0DISCOVERY |
Discovery kit for STM32 F0 series - with STM32F051 MCU |
| ST-LINK |
In-circuit debugger and programmer for STM8 and STM32 MCUs; with IAR EWARM and Keil RVMDK and ST toolset |
| STX-PRO/RAIS |
Unlimited in-circuit debugging/programming tool for STM32, STR7 and STR9 |
| MicroXplorer |
MCU graphical configuration tool |
| ST-LINK/V2 |
ST-LINK/V2 in-circuit debugger/programmer for STM8 and STM32 |
| STX-RLINK |
In-circuit debugger/programmer supporting JTAG and ICC protocols for STM8, ST7, uPSD, STM32, STR7 and STR9 microcontrollers |