STM32F102R4 Mainstream USB Access line, ARM Cortex-M3 MCU with 16 Kbytes Flash, 48 MHz CPU, USB, FS

STM32F102xx小容量USB基本型产品集成了工作频率为48MHz的高性能ARM Cortex™-M3 32位RISC内核、高速嵌入式存储器(16或32K字节的Flash存储器和4或6K字节的SRAM),和大量连至2条APB总线的增强型I/O与外设。 所有产品均带有标准通信接口(1个I²C、1个SPI、1个USB和2个USART)、1个12位ADC和2个16位通用定时器。

STM32F102xx系列的工作温度范围是–40~+85°C,供电电压范围是2.0~3.6V。 适于低功耗应用设计的一组完整的节电模式。

STM32F102xx小容量USB基本型产品采用LQFP48 7 x 7mm和LQFP64 10 x 10mm封装。

技术特性
  • 内核:ARM 32位Cortex™-M3 CPU
    • 48 MHz maximum frequency, 1.25 DMIPS/MHz (Dhrystone 2.1) performance at 0 WS memory access
    • Single-cycle multiplication and hardware division
  • 存储器
    • 16 or 32 Kbytes of Flash memory
    • 4 or 6 Kbytes of SRAM
  • 时钟、复位和电源管理
    • 2.0 to 3.6 V application supply and I/Os
    • POR, PDR and programmable voltage detector (PVD)
    • 4-to-16 MHz crystal oscillator
    • Internal 8 MHz factory-trimmed RC
    • Internal 40 kHz RC
    • PLL for CPU clock
    • 32 kHz oscillator for RTC with calibration
  • 低功耗
    • Sleep, Stop and Standby modes
    • VBAT supply for RTC and backup registers
  • 调试模式
    • Serial wire debug (SWD) and JTAG interfaces
  • DMA
    • 7-channel DMA controller
    • Peripherals supported: timers, ADC, SPIs, I²Cs and USARTs
  • 1个12位、1.2μs A/D转换器(多达16通道)
    • Conversion range: 0 to 3.6 V
    • Temperature sensor
  • 多达51个高速I/O端口
    • 37/51 IOs all mappable on 16 external interrupt vectors and almost all 5 V-tolerant
  • 多达5个定时器
    • Two 16-bit timers, each with up to 4 IC/OC/PWM or pulse counter
    • 2 watchdog timers (Independent and Window)
    • SysTick timer: 24-bit downcounter
  • 多达5个通信接口
    • 1 x I²C interface (SMBus/PMBus)
    • 2 USARTs (ISO 7816 interface, LIN, IrDA capability, modem control)
    • 1 SPI (12 Mbit/s)
    • USB 2.0 full speed interface
  • CRC计算单元、96位唯一ID
  • ECOPACK® 封装
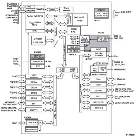
功能框图
STM32F102R4 订购信息
订购型号 产品状态 美金价格 数量 封装 包装形式 温度范围 材料声明
STM32F102R4T6ATR Active 1.7681 1000 LQFP 64 10x10x1.4 Tape And Reel -40 °C-85 °C STM32F102R4T6ATR
STM32F102R4T6A Active 1.7681 1000 LQFP 64 10x10x1.4 Tray -40 °C-85 °C STM32F102R4T6A
DATASHEET
描述 版本 大小
STM32F102R4 : 小容量USB基本型,32位基于ARM核心的带16或32K字节闪存的 微控制器 USB、5个定时器、1个ADC 、5个通信接口 2 1280KB
STM32F102R4 : DS5934: Low-density USB access line, ARM-based 32-bit MCU with 16/32 KB Flash, USB FS interface, 5 timers, ADC & 5 communication interfaces 3 867KB
APPLICATION NOTES
描述 版本 大小
AN2812: Vocoder demonstration using a Speex audio codec on STM32F101xx and STM32F103xx microcontrollers 2 257KB
AN2784: 使用大容量STM32F10xxx的FSMC 驱动外部的存储器 1 716KB
AN2784: Using the high-density STM32F10xxx FSMC peripheral to drive external memories 4 299KB
AN2790: TFT LCD interfacing with the high-density STM32F10xxx FSMC 2 823KB
AN2945: STM8S and STM32™ MCUs: a consistent 8/32-bit product line for painless migration 1 213KB
AN2606: STM32™ microcontroller system memory boot mode 14 877KB
AN3078: STM32™ in-application programming over the I²C bus 1 671KB
AN3116: STM32™'s ADC modes and their applications 1 236KB
AN4023: STM32 secure firmware upgrade (SFU) overview 1 41KB
AN3429: STM32 proprietary code protection overview 1 61KB
AN4013: STM32F1xx, STM32F2xx, STM32F4xx, STM32L1xx timer overview 1 200KB
AN2824: STM32F10xxx I²C optimized examples 4 123KB
AN2868: STM32F10xxx internal RC oscillator (HSI) calibration 1 189KB
AN2557: STM32F10x in-application programming using the USART 8 215KB
AN2629: STM32F101xx, STM32F102xx and STM32F103xx low-power modes 2 496KB
AN2639: Soldering recommendations and package information for Lead-free ECOPACK® microcontrollers 2 209KB
AN1015: Software techniques for improving microcontroller EMC performance 1 105KB
AN2598: 使用STM32F101xx和STM32F103xx的智能卡接口 2 651KB
AN2598: Smartcard interface with the STM32F10x microcontrollers 3 501KB
AN2867: Oscillator design guide for STM8S, STM8A, and STM32F1 microcontrollers 6 280KB
AN3422: Migration of microcontroller applications from STM32F1 to STM32L1 series 2 312KB
AN3364: Migration and compatibility guidelines for STM32 microcontroller applications 3 128KB
AN4088: Migrating from STM32F1 to STM32F0 1 919KB
AN3427: Migrating a microcontroller application from STM32F1 to STM32F2 series 1 377KB
AN3070: Managing the Driver Enable signal for RS-485 and IO-Link communications with the STM32™’s USART 1 192KB
AN3174: Implementing receivers for infrared remote control protocols using STM32F10xxx microcontrollers 2 592KB
AN2953: How to migrate from the STM32F10xxx firmware library V2.0.3 to the STM32F10xxx standard peripheral library V3.0.0 1 1251KB
AN2834: 如何在STM32F10xxx上得到最佳的ADC精度 1 610KB
AN3307: Guidelines for obtaining IEC60335 Class B certification in any STM32F1xx application 2 340KB
AN2586: STM32F10xxx硬件开发使用入门 2 682KB
AN2586: Getting started with STM32F10xxx hardware development 7 417KB
AN1709: EMC design guide for ST microcontrollers 1 657KB
AN1181: Electrostatic discharge sensitivity measurement 1 59KB
AN2594: EEPROM emulation in STM32F10x microcontrollers 3 156KB
AN3109: Communication peripheral FIFO emulation with DMA and DMA timeout in STM32F10x microcontrollers 1 110KB
AN3126: Audio and waveform generation using the DAC in STM32 microcontroller families 1 648KB
ERRATA SHEETS
描述 版本 大小
STM32F101x4/6、STM32F102x4/6和STM32F103x4/6 小容量产品的使用限制 2 257KB
ES0117: STM32F101x4/6, STM32F102x4/6 and STM32F103x4/6 low-density device limitations 6 254KB
LICENSE AGREEMENTS
描述 版本 大小
MCU software licence agreement liberty v2 2.0 18KB
MCU software licence agreement image v2 2.0 17KB
PROGRAMMING MANUALS
描述 版本 大小
PM0068: STM32F10xxx XL-density Flash programming 2 225KB
PM0056: STM32F10xxx/20xxx/21xxx/L1xxxx Cortex-M3 programming manual 4 1315KB
PM0075: STM32F10xxx Flash memory microcontrollers 6 317KB
REFERENCE MANUALS
描述 版本 大小
RM0008: STM32F101xx, STM32F102xx、STM32F103xx、STM32F105xx 和STM32F107xx,ARM内核32位高性能微控制器 10 13972KB
RM0008: STM32F101xx, STM32F102xx, STM32F103xx, STM32F105xx and STM32F107xx advanced ARM-based 32-bit MCUs 14 9201KB
TECHNICAL NOTES
描述 版本 大小
TN0072: Software toolchains and STM32 features 2 100KB
TN0830: How to use EWARM 6.2x with projects built with EWARM 6.1 and previous versions 1 98KB
USER MANUALS
描述 版本 大小
UM0424: STM32 USB-FS-Device development kit 11 1175KB
UM0462: STM32™ and STM8™ Flash loader demonstrator 7 1673KB
UM1029: Communication peripheral application library (CPAL) 2 549KB
UM0685: CEC (consumer electronic control) C library using the STM32F101xx, STM32F102xx and STM32F103xx microcontrollers 3 874KB
PRODUCT PRESENTATIONS
描述 版本 大小
STM32 F1 firmware library for easySPIN (L6474) motor driver - quick guide 1.0.0 383KB
STM32 - 32-bit ARM Cortex-M MCUs marketing presentation 1.2 2282KB
BOARDS AND TOOLS
Part Number 描述
STM-STUDIO STM Studio run-time variables monitoring and visualization tool
STM320518-EVAL Evaluation board for STM32 F0 series - with STM32F051 MCU
STVP ST Visual Programmer for programming ST7, STM8, STM8T and STM32
STM32F0DISCOVERY Discovery kit for STM32 F0 series - with STM32F051 MCU
ST-LINK In-circuit debugger and programmer for STM8 and STM32 MCUs; with IAR EWARM and Keil RVMDK and ST toolset
STX-PRO/RAIS Unlimited in-circuit debugging/programming tool for STM32, STR7 and STR9
MicroXplorer MCU graphical configuration tool
ST-LINK/V2 ST-LINK/V2 in-circuit debugger/programmer for STM8 and STM32
STX-RLINK In-circuit debugger/programmer supporting JTAG and ICC protocols for STM8, ST7, uPSD, STM32, STR7 and STR9 microcontrollers
DEVICE PROGRAMMERS
描述 版本 大小
Production programming solutions for the STM32 1.0.3 155KB
FIRMWARE
描述 版本 大小
Using the STM32F101xx and STM32F103xx DMA controller 2.0.0 1118KB
How to migrate from the STM32F10xxx firmware library V2.0.3 to the STM32F10xxx standard peripheral library V3.0.0 0.0.6 871KB
STM32F10xxx Speex library firmware STM32, StdPeriph Lib, speex, audio 2.0.0 1786KB
STM32F10xxx DSP library firmware 2.0.0 1392KB
Archive for legacy STM32F10xxx Firmware Library V2.0.3 and all related Firmware packages 2.0.3 23428KB
CEC (consumer electronic control) C library using the STM32F101xx, STM32F102xx and STM32F103xx microcontrollers 2.0.0 1692KB
STM32F10x standard peripheral library 3.5.0 21617KB
STM32F1xx motor control firmware library for the L6470 dSPIN IC 1.0.0 675KB
Implementing receivers for infrared remote control protocols using STM32F1 microcontrollers 2.0 12984KB
STM32 I²C Communication peripheral application library 1.1.0 1960KB
STM32 embedded GUI library 2.0.0 25243KB
STM32F1xx motor control firmware for easySPIN L6474 1.0.1 1353KB
STM8 and STM32 embedded software solutions 1.0.1 1139KB
STM32F10x and STM32L1xx USB full-speed device library 3.4.0 4030KB
SW DEMOS
描述 版本 大小
DfuSe USB device firmware upgrade STMicroelectronics extension: contains the demo GUI, debugging GUI, all sources files and the protocol layer 3.0.2 17034KB
STM32 and STM8 Flash loader demonstrator 2.5.0 6449KB
SW DRIVERS
描述 版本 大小
STM32 Virtual COM Port Driver 1.3.1 11516KB
Communication peripheral FIFO emulation with DMA and DMA timeout in STM32F10x microcontrollers 1.0 1224KB
BSDL MODELS
描述 版本 大小
STM32 Boundary Scan Description Language (BSDL) files 3.0.0 196KB
MARKETING BROCHURES
描述 版本 大小
BRSTM320512 : STM32 MCU family 1.0 1064KB