AD8209: 高压、精密差动放大器

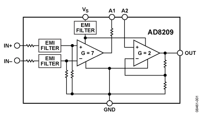
AD8209 功能框图AD8209是一款单电源差动放大器,非常适合在大共模电压(CMV)情况下放大和低通滤波小差分电压。采用+5 V单电源供电时,输入共模电压范围为−2 V至+45 V。AD8209通过了AEC-Q100认证。这款放大器提供增强的输入过压和ESD保护,并内置EMI滤波功能。汽车应用要求使用鲁棒、精密的器件,以便提供更好的系统控制。

AD8209具有出色的交流和直流性能,可将应用中的误差降至最低。MSOP封装的失调和增益漂移典型值分别小于5 µV/°C和10 ppm/°C。在DC至10 kHz范围内,其共模抑制比(CMRR)最小值为80 dB。AD8209在前置放大器(A1)的输出端提供一个外部可用的100 kΩ电阻,可用来进行低通滤波以及建立14以外的增益。

技术特性
  • ±8000 V HBM ESD
  • 通过AEC-Q100认证
  • 内置EMI滤波器
  • 高共模电压范围
    工作范围:−2 V至+45 V
    耐压范围:−24 V至+80 V
  • 缓冲输出电压
  • 增益 = 14 V/V
  • 低通滤波器 (单极或双极)
  • 宽工作温度范围 : 8引脚µSOIC:−40°C至+125°C
  • 出色的交流和直流性能
    电压失调:±1 mV
    增益漂移:−5 ppm/°C(典型值)
    共模抑制比:80 dB(最小值,DC至10 kHz)
技术指标
  • Common Mode Input (V)min: --2V
  • Common Mode Input (V)max: +45V
  • CMRR (dB): 80dB
  • Gain Range (min to max): 14
  • Vcc-Vee: 4.5V to 5.5V
应用领域
  • 高端电流检测
    电机控制
    电磁阀控制
    电源管理
  • 低端电流检测
  • 诊断保护
订购指南
产品型号 封装 引脚 温度范围 包装和数量 报价*(100-499) 报价*1000 pcs RoHS
AD8209WBRMZ 产品状态: 量产 8 ld MSOP 8 汽车级 Tube, 50 $ 1.73 $ 1.67 Y  材料信息
AD8209WBRMZ-R7 产品状态: 量产 8 ld MSOP 8 汽车级 Reel, 1000 $ 1.73 $ 1.67 Y  材料信息
AD8209WBRMZ-RL 产品状态: 量产 8 ld MSOP 8 汽车级 Reel, 3000 $ 1.73 $ 1.67 Y  材料信息
AD8209 应用技术支持与电子电路设计开发资源下载
  1. AD8209 数据手册DataSheet 下载 . pdf
  2. ADI 模拟器件公司比较器产品选型指南 . pdf
  3. Analog Devices, Inc. 美国模拟器件公司产品订购手册 .pdf