AD8251: 10 MHz、20 V/µs、G = 1、2、4、8、iCMOS®可编程增益仪表放大器

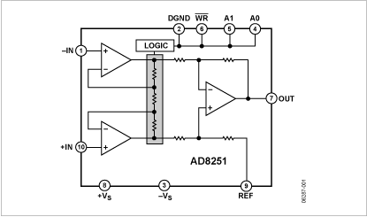
AD8251 功能框图AD8251是一款具有数字式可编程增益的仪表放大器,拥有GΩ级输入阻抗、低输出噪声和低失真等特性,因此适合用来与传感器接口及驱动高采样速率模数转换器(ADC)。它拥有10 MHz带宽、−110 dB的低总谐波失真(THD),以及达到0.001%精度时785 ns的快速建立时间(最大值)。保证的失调漂移和增益漂移分别为1.8 µV/°C和10 ppm/°C(G = 8)。除了输入共模电压范围很宽之外,该器件还拥有80 dB的高共模抑制能力(G = 1,直流至50 kHz)。精密直流性能与高速能力的结合则使AD8251成为数据采集应用的绝佳选择。此外,这款单芯片解决方案简化了设计与制造,并可通过内部电阻与放大器的严格匹配来提高仪器仪表的性能。AD8251用户接口包含一个并行端口,用户可以采用以下两种不同的方式设置增益(功能框图请参见数据手册中的图1)。一种方式是用WR输入锁存通过总线发送的2比特字。另一种方式是用透明增益模式,在这一模式下,由增益端口处的逻辑电平状态决定增益。AD8251采用10引脚MSOP封装,额定温度范围为−40°C至+85°C,特别适合对尺寸和封装密度有严格要求的应用。

技术特性
  • 小型封装:10引脚MSOP
  • 可编程增益:1、2、4、8
  • 增益设置:数字式或引脚可编程
  • 宽电源电压范围:±5 V至±15 V
  • 出色的直流性能
    高共模抑制比(CMRR):98 dB(最小值,G = 8)
    低增益漂移:10 ppm/°C(最大值)
    低失调漂移:1.8 µV/°C(最大值,G = 8)
  • 0.001%快速建立时间:785 ns(最大值)
  • 高压摆率:20 V/µs(最小值)
  • 低失真:-110 dB THD(1 kHz、10 V摆幅)
  • 相对于频率的高共模抑制比(CMRR):80 dB(50 kHz,最小值)
  • 低噪声:18 nV/√Hz(最大值、G = 10)
  • 低功耗:4 mA
技术指标
  • Description: Software Programmable
  • Single/Dual Supply: Dual
  • Vcc-Vee: 10V to 34V
  • Bandwidth G=10 (kHz typ): 2500kHz
  • Min CMRR @ 60 Hz Min Gain: 80dB
  • Min CMRR @ 60Hz Max Gain: 98dB
应用领域
  • 数据采集
  • 生物医学分析
  • 测试和测量
订购指南
产品型号 封装 引脚 温度范围 包装和数量 报价*(100-499) 报价*1000 pcs RoHS
AD8251ARMZ 产品状态: 量产 10 ld MSOP 10 工业 Tube, 50 $ 5.96 $ 5.01 Y  材料信息
AD8251ARMZ-R7 产品状态: 量产 10 ld MSOP 10 工业 Reel, 1000 - $ 5.01 Y  材料信息
AD8251ARMZ-RL 产品状态: 量产 10 ld MSOP 10 工业 Reel, 3000 - $ 5.01 Y  材料信息
开发工具
产品型号 描述 报价 RoHS
AD8251-EVALZ 产品状态: 量产 Evaluation Board $ 101.15
AD8251 应用技术支持与电子电路设计开发资源下载
  1. AD8251 数据手册DataSheet 下载 . pdf
  2. AD8251 评估版资料下载 . pdf
  3. ADI 模拟器件公司比较器产品选型指南 . pdf
  4. 仪表放大器设计者指南(第三版) . pdf
  5. Analog Devices, Inc. 美国模拟器件公司产品订购手册 .pdf