AD8295: 精密仪表放大器,内置信号处理放大器
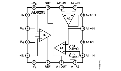
AD8295在4 mm × 4 mm小型封装内集成了精密仪表放大器前端所需的全部器件,其中包含一个高性能仪表放大器、两个通用运算放大器和两个精密匹配的10 kΩ电阻。AD8295有助于实现轻松且高效的印制电路板布线。AD8295器件布局合理,其典型应用电路仅需较短布线和少量过孔。与大多数芯片级封装不同,AD8295器件背面没有裸露的金属焊盘,从而节省了额外的布线与过孔空间。AD8295采用4 mm × 4 mm LFCSP封装,需要的电路板空间仅为8引脚SOIC封装的一半。AD8295包含一个高性能可编程增益仪表放大器,其增益可编程范围为1至1000,利用单个电阻即可进行设置。AD8295具有低噪声和出色的共模抑制特性,即使在存在大型共模干扰的情况下,也能够轻松探测微弱信号。欲了解未集成相关信号调理电路的类似仪表放大器,请参考AD8221或AD8222数据手册。AD8295采用单电源或双电源供电,非常适合使用±10V输入电压的应用。在-40°C至+85°C的整个工业温度范围内,AD8295所有级别的产品均能保证性能。AD8295的工作温度范围为-40°C至+125°C;欲了解器件在高达125°C温度下的工作特性,请参考典型性能特性部分。
技术特性
- 节省电路板空间
- 内置精密仪表放大器、2个运算放大器,以及2个匹配电阻
- 4 mm × 4 mm LFCSP封装
- 无需散热金属块,可提供更多布线空间
- 完全符合规定的差分输出
- 宽电源电压范围:±2.3 V至±18 V
- 仪表放大器性能指标:
利用单个外部电阻设置增益
(增益范围: 1至1000)
最大输入电压噪声:8 nV/√Hz, @ 1 kHz
最小CMRR:90 dB(G = 1)
最大输入偏置电流:0.8 nA
-3 dB带宽:1.2 MHz (G = 1)
压摆率:2 V/µs
- 最大增益漂移:1 ppm/°C,电阻匹配:0.03%
|
技术指标
- Description: Precision IA
- Single/Dual Supply: Dual
- Vcc-Vee: 4.6V to 36V
- Supply Current : 2.3mA
- Bandwidth G=10 (kHz typ): 750kHz
- Gain min. (dB): 1$ US
- Gain max.(dB): 1000$ US
应用领域
- 工业过程控制
- 惠斯登电桥
- 精密数据采集系统
- 医疗仪器
- 应变计
- 传感器接口
- 差分输出
|
订购指南
| 产品型号 |
封装 |
引脚 |
温度范围 |
包装和数量 |
报价*(100-499) |
报价*1000 pcs |
RoHS |
| AD8295ACPZ-R7 产品状态: 量产 |
16 ld LFCSP (4x4x.85mm, no exposed pad) |
16 |
工业 |
Reel, 1500 |
$ 2.40 |
$ 2.03 |
Y 材料信息 |
| AD8295ACPZ-RL 产品状态: 量产 |
16 ld LFCSP (4x4x.85mm, no exposed pad) |
16 |
工业 |
Reel, 5000 |
$ 2.40 |
$ 2.03 |
Y 材料信息 |
| AD8295ACPZ-WP 产品状态: 量产 |
16 ld LFCSP (4x4x.85mm, no exposed pad) |
16 |
工业 |
Tray, 64 |
$ 2.40 |
$ 2.03 |
Y 材料信息 |
| AD8295BCPZ-R7 产品状态: 量产 |
16 ld LFCSP (4x4x.85mm, no exposed pad) |
16 |
工业 |
Reel, 1500 |
$ 4.62 |
$ 3.92 |
Y 材料信息 |
| AD8295BCPZ-RL 产品状态: 量产 |
16 ld LFCSP (4x4x.85mm, no exposed pad) |
16 |
工业 |
Reel, 5000 |
$ 4.62 |
$ 3.92 |
Y 材料信息 |
| AD8295BCPZ-WP 产品状态: 量产 |
16 ld LFCSP (4x4x.85mm, no exposed pad) |
16 |
工业 |
Tray, 64 |
$ 4.62 |
$ 3.92 |
Y 材料信息 |
AD8295 应用技术支持与电子电路设计开发资源下载
- AD8295 数据手册DataSheet 下载 . pdf
- ADI 模拟器件公司比较器产品选型指南 . pdf
- 仪表放大器设计者指南(第三版) . pdf
- Analog Devices, Inc. 美国模拟器件公司产品订购手册 .pdf