AD8432:增益和输入阻抗可选的双通道LNA
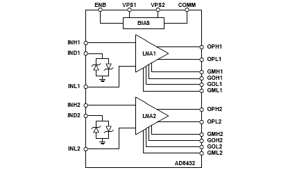
AD8432是双通道、低功耗、超低噪声的放大器,具有可选增益和动态阻抗匹配功能。每个放大器都具有单端输入、差动输出和可选的集成输入箝位电路。通过对几个增益设置引脚进行不同的连接来实现x 4、x 8、x 12和x 16四种精确的增益设置。该放大器在增益G= x 4时带宽为200MHz,这使其非常适合许多高速应用。AD8432卓越的噪声性能使其能实现有效的阻抗匹配。采用反馈网络,可以在不牺牲噪声性能条件下调整放大器的每个输入阻抗来匹配信号源阻抗。AD8432在增益为4的条件下可以获得0.85nV/√ (Hz)的输入参考电压噪声。AD8432的超低噪声和低失真、优异的增益精度以及有源阻抗匹配特性使其成为高性能超声系统的理想选择。AD8432的双通道和增益匹配使其非常适合于处理I/Q解调器信号。AD8432采用+5V、21.4mA的单电源供电,封装形式为4mm x 4mm 24引脚LFSCP。LFCSP封装具有裸露的焊盘,为到PCB的热传递提供了低热阻的路径,可实现更高效率的热传递,并提高了可靠性。工作温度范围是-40℃至+85℃。
技术特性
- 超低噪声
输入电压噪声= 0.85nV/√Hz
电流噪声 = 2.4 pA/√Hz
- 卓越的交流性能
在增益为4时,带宽为200MHz
压摆率为271V/μs
- 可选增益:x4,x8,x12,x16
- 有源输入阻抗匹配
- 过驱动恢复
- 单端输入,差动输出
- 电源:4.5V至5.5V
- 低功耗:每通道54mW
|
应用领域
- 超声前端
- 宽带A/D驱动器
- 低噪声前置放大
- 用于I/Q解调器和移相器的前置驱动器
功能框图
 |
订购指南
| 产品型号 |
封装 |
引脚 |
温度范围 |
包装和数量 |
报价*(100-499) |
报价*1000 pcs |
RoHS |
| AD8432ACPZ-R7 产品状态: 量产 |
24 ld LFCSP (4x4mm 2.5mm PAD) |
24 |
工业 |
Reel, 1500 |
$ 1.60 |
$ 1.29 |
Y 材料信息 |
| AD8432ACPZ-RL 产品状态: 量产 |
24 ld LFCSP (4x4mm 2.5mm PAD) |
24 |
工业 |
Reel, 5000 |
$ 1.60 |
$ 1.29 |
Y 材料信息 |
| AD8432ACPZ-WP 产品状态: 量产 |
24 ld LFCSP (4x4mm 2.5mm PAD) |
24 |
工业 |
Tray, 64 |
$ 1.60 |
$ 1.29 |
Y 材料信息 |
开发工具
| 产品型号 |
描述 |
报价 |
RoHS |
查看PCN/PDN |
查看库存/
购买/样片 |
| AD8432-EVALZ 产品状态: 量产 |
Evaluation Board |
$ 125.00 |
是 |
- |
|
应用技术支持与电子电路设计开发资源下载
- AD8432 数据手册DataSheet 下载 . pdf
- ADI 模拟器件公司比较器产品选型指南 . pdf
- Analog Devices, Inc. 美国模拟器件公司产品订购手册 .pdf