ADA4960-1:低功耗、超高速度差分ADC驱动器

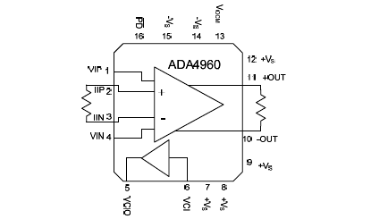
功能框图ADA4960-1是一款高性能差分放大器,已针对射频和中频应用进行优化。在最高500 MHz频率时,无杂散动态范围(SFDR)优于63 dB;在最高1 GHz频率时,SFDR优于52 dB,因而它是高速8位至10位千兆采样模数转换器(ADC)的理想驱动器。与其它宽带差分放大器不同,ADA4960-1具有缓冲输入,能够将增益设置电阻(RG)与信号输入隔离。因此,对于6 dB至15 dB的增益,ADA4960-1可保持恒定的10 kΩ差分输入电阻,从而降低了匹配和输入驱动要求。这款器件具有标称值为150 Ω的差分输出电阻。在1 GHz及以上频率时,它具有高宽带、低失真性能。这些特性以及宽增益调节能力,使之成为对低失真、低噪声和低功耗有严格要求的一般中频与宽带应用的首选放大器。该器件还包括一个单位增益缓冲器,用于缓冲放大器的共模输入等直流信号。此缓冲器位于引脚6(输入)和引脚5(输出)之间。如果不使用此缓冲器,输出可以断开连接,输入可以接地。

它不仅非常适合驱动ADC,也适合驱动混频器、二极管衰减器、SAW滤波器、多元件分立器件,以及缓冲高频DAC。该器件采用3 mm × 3 mm、16引脚LFCSP封装(单通道版本)或4 mm × 4 mm、24引脚LFCSP封装(双通道版本)。工作温度范围为−40°C至+105°C。

技术特性
  • 可调输出共模电压
  • 外部可调增益
  • −3 dB带宽:3GHz(所有增益)
  • 低谐波失真(H2/H3 SE->DIFF)
    -77/-67 dBc (250 MHz)
    -69/-63 dBc (500 MHz)
    -52/-63 dBc (1GHz)
  • IMD3:67 dBc (1 GHz)
  • 压摆率:8000 V/μs
  • 快速过驱恢复:1 ns
  • 低输入电压噪声:3.6 nV/√Hz
  • 低功耗:静态电流60 mA
  • 0.1 dB增益平坦度:待定
  • 提供16引脚和24引脚LFCSP封装
技术指标
  • -3 dB BW (MHz): 5000MHz
  • Minimum Gain (Acl): 6
  • Supply Current : 60mA
  • Slew Rate (V/us): 8700V/µs
  • Distortion (2nd) (dBc): -73dBc
  • Distortion (3rd) (dBc): -72dBc
  • Package: 16-Lead LFCSP
应用领域
  • 千兆采样ADC的驱动器
  • 单端转差分转换器
  • 射频/中频增益模块
  • 线路驱动器
  • 示波器
  • 卫星通信
  • 数据采集
  • 电子监控和对策
订购指南
产品型号 封装 引脚 温度范围 包装和数量 报价*(100-499) 报价*1000 pcs RoHS
ADA4960-1ACPZ-R2 产品状态: 量产 LFCSP:LEADFRM CHIP SCALE 16 工业 Reel, 250 $ 7.65 $ 7.65 Y  材料信息
ADA4960-1ACPZ-R7 产品状态: 量产 LFCSP:LEADFRM CHIP SCALE 16 工业 Reel, 1500 - $ 6.95 Y  材料信息
ADA4960-1ACPZ-RL 产品状态: 量产 LFCSP:LEADFRM CHIP SCALE 16 工业 Reel, 5000 - $ 6.95 Y  材料信息
ADA4960-1 应用技术支持与电子电路设计开发资源下载
  1. ADA4960-1 数据手册DataSheet 下载 . pdf
  2. ADI 模拟器件公司比较器产品选型指南 . pdf
  3. Analog Devices, Inc. 美国模拟器件公司产品订购手册 .pdf