ADE7878: 三相、多功能电能计量IC,可测量总功率和基波功率

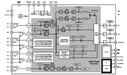
ADE7878 功能框图ADE7878 是一款高精度、三相电能测量IC,采用串行接口,并提供三路灵活的脉冲输出。该器件内置二阶Σ-Δ型ADC、数字积分器、基准电压源电路以及所有必需的信号处理电路,可执行总(基波和谐波)有功、无功和视在功率测量,基波有功和无功功率测量,以及有效值计算。一个固定功能数字信号处理器(DSP)负责执行这种信号处理。ADE7878适合测量各种三线、四线的三相配置有功、无功和视在功率,例如Y形或三角形等。各相均具有系统校准功能,即有效值失调校正、相位校准和增益校准。CF1、CF2和CF3逻辑输出可提供许多功率信息:总/基波有功/无功功率、总视在功率或电流有效值和。ADE7878具有波形采样寄存器,允许访问所有ADC输出。该器件还提供电能质量测量,例如:短时低压或高压检测、短时高电流变化、线路电压周期测量以及相位电压与电流之间的角度等。利用两个串行接口SPI和I2C,可以与ADE7878通信,同时专用高速接口、高速数据采集(HSDC)端口可以与I2C配合使用,以访问ADC输出和实时功率信息。该器件还有两个中断请求引脚/IRQ0和/IRQ1,用来指示一个使能的中断事件已经发生。当ADE7878遭遇盗窃篡改时,三种专门设计的低功耗模式可确保电能累计的连续性。它提供40引脚LFCSP无铅封装。

The ADE7878 is a high accuracy, 3-phase electrical energy measurement IC with serial interfaces and three flexible pulse outputs. The ADE7878 incorporates second-order Σ-Δ ADCs, a digital integrator, reference circuitry, and all the signal processing required to perform total (fundamental and harmonic) active, reactive and apparent energy measurement, fundamental active and reactive energy measurement and rms calculations. A fixed function digital signal processor (DSP) executes this signal processing.The ADE7878 is suitable to measure active, reactive, and apparent energy in various 3-phase configurations, such as WYE or DELTA services, with both three and four wires. The ADE7878 provides system calibration features for each phase, that is, rms offset correction, phase calibration, and gain calibration. The CF1, CF2 and CF3 logic outputs provide a wide choice of power information: total/fundamental active/reactive power, total apparent power, or sum of current rms values.The ADE7878 has waveform sample registers that allow access to all ADC outputs. The device also incorporates power quality measurements such as short duration low or high voltage detections, short duration high current variations, line voltage period measurement and angles between phase voltages and currents. Two serial interfaces can used to communicate with the ADE7878 : SPI or I²C while a dedicated high speed interface, HSDC (High Speed Data Capture) port, can be used in conjunction with I²C to provide access to the ADC outputs and real time power information. The ADE7878 has also two interrupt request pins, IRQ0 and IRQ1, to indicate that an enabled interrupt event has occurred.Three specially designed low power modes ensure the continuity of the energy accumulation when the ADE7878 is in tampering situation.The ADE7878 is available in 40-lead LFCSP lead free package.

ADE7878 特点
  • 高精度;支持EN 50470-1、EN 50470-3、IEC 62053-21、IEC 62053-22和IEC 62053-23标准
  • 与三相、三线或四线(三角形或Y形)及其它三相配置兼容
  • 测量各相及整个系统的总(基波和谐波)有功/无功/视在功率和基波有功/无功功率
  • 25°C时,在1000:1的动态范围内有功和无功功率误差小于0.1%
  • 25°C时,在3000:1的动态范围内有功和无功功率误差小于0.2%
  • 支持电流变压器和di/dt电流传感器
  • 欲了解更多特性,请参考数据手册
ADE7878 技术指标
  • Measurement Parameters : Irms,VA,VAR,Vrms,Watt
  • Current Sensor Interface: Current Transformer,Rogowski Coil,Shunt
  • Anti-Tamper Support: Current Fault
  • Output Interface: HSDC,I2C,Pulsed,SPI
  • Package: 40-Lead LFCSP
ADE7878 建议配套产品
ADE7878 芯片订购指南
产品型号 封装 引脚 温度范围 包装和数量 报价*(100-499) 报价*1000 pcs
ADE7878ACPZ 产品状态: 量产 40 ld LFCSP (6x6mm w_4.3mm EP) 40 工业 Tray, 490 $ 8.76 $ 7.47
ADE7878ACPZ-RL 产品状态: 量产 40 ld LFCSP (6x6mm w_4.3mm EP) 40 工业 Reel, 2500 - $ 7.47
ADE7878 应用技术支持与电子电路设计开发资源下载
  1. ADE7878 数据手册DataSheet 下载 . pdf
  2. Analog Devices, Inc.ADI 美国模拟器件公司产品订购手册 .pdf
  3. ADC模数转换器选型指南 . pdf
  4. 电能计量IC选型指南 . pdf