ADL5570: 2.3 GHz至2.4 GHz WiMAX功率放大器

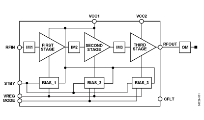
ADL5570 功能框图ADL5570是一款高线性度2.3 GHz至2.4 GHz功率放大器,设计用于以TDD方式工作、占空比为31%的WiMAX终端。具有29 dB增益,2.35 GHz时输出压缩点为31 dBm。采用3.5 V电源供电时,输出功率水平最高可达26 dBm,同时仍保持EVM ≤ 3%(OFDM 16或64 QAM)。当POUT = 25 dBm时,附加功率效率(PAE)为20%。ADL5570 RF输入在片内匹配,输入回波损耗小于−10 dB。开集输出在外部与带状线和外部分流电容匹配。ADL5570的工作电压范围为3.2 V至4.2 V;当提供25 dBm(3.5 V电源)时,电源电流为440 mA(均方根突波)。当功率水平小于或等于10 dBm时,同时提供低功率工作模式,优化工作电流和静态电流分别为100 mA和70 mA。该器件具有待机模式,可将静态电流降至1 mA,这在TDD终端接收数据时很有用。ADL5570采用GaAs HBT工艺制造,提供16引脚、4 mm × 4 mm、符合RoHS标准的无铅LFCSP封装,并使用裸露焊盘以获得出色的热阻抗性能。工作温度范围为−40°C至+85°C。

技术特性
  • 固定增益:29 dB
  • 工作频率范围:2.3 GHz至2.4 GHz
  • EVM ≤ 3%(POUT = 25 dBm,16 QAM OFDMA)
  • 静态电流
    130 mA(高功率模式)
    70 mA(低功率模式)
  • 内部50 Ω输入匹配电阻
  • 电源电压:3.2 V至4.2 V
  • 附加功率效率(PAE):20%
  • 提供多种工作模式,可节约电池电量
    低功率模式:100 mA
    待机模式:1 mA
    休眠模式:<1 μA
技术指标
  • Supply Current : 130mA
  • Specs @ (MHz): 2350MHz
  • Frequency Range (MHz): 2300 to 2400
  • Gain (dB): 29dB
  • 1 dB Comp Point (dBm): 31
应用领域
  • WiMAX/WiBro移动终端
订购指南
产品型号 产品状态 封装 引脚 温度范围
ADL5570-EVALZ 量产 评估板   工业
ADL5570ACPZ-R7 量产 16 ld LFCSP (4x4x.85mm, 2.10mm exposed pad) 16 工业
ADL5570 应用技术支持与电子电路设计开发资源下载
  1. ADL5570 数据手册DataSheet 下载 . pdf
  2. ADI 模拟器件公司比较器产品选型指南 . pdf
  3. Analog Devices, Inc. 美国模拟器件公司产品订购手册 .pdf