ADM1184: 0.8%精度、四通道电压监控器
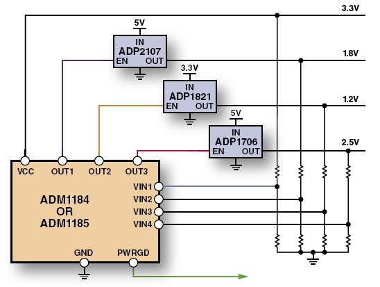
ADM1184是一款集成的4通道电压监控器,采用2.7 V ~ 5.5 V单电源供电。4个精密比较器监控4个电压轨。每个比较器均内置0.6 V基准电压源,最坏情况下的精度为±0.8%。用户通过连接在VIN1、VIN2、VIN3与VIN4引脚外部的电阻网络可为监控电源轨设置跳变点。ADM1184拥有4个开漏输出。在这些输出中,OUT1~OUT3可用于启动电源,PWRGD是通用电源良好输出,标志着所有受控电源都在阈值之上。OUT1~OUT3依赖于相关的VINx输入(也就是VIN1、VIN2或VIN3)。如果VINx监控的电源下降到设置阈值以下,相关的OUTx引脚和PWRGD将被禁用。PWRGD是通用电源良好输出,用于指示所有受控电源的状态。内置190ms(典型值)延时的电源指示信号。如果VIN1、VIN2、VIN3或VIN4下降到其编程阈值以下,PWRGD指示则取消。ADM1184采用10引脚MSOP封装。
技术特性
- 采用2.7 V ~ 5.5 V单电源供电
- 4个可编程输入,通过外部分压可以监控不同的电压电平
- 3个开漏使能输出(OUT1、OUT2以及OUT3)
- 通过0.8%的精确比较器监控4个电源
- 开漏电源良好输出(PWRGD)
- 内置190ms延时的电源指示信号
- 10引脚MSOP封装
技术指标
- # Per Pkg: 4
- Internal Reference: Yes
- Reference Accuracy (+/-%): 0.8%
- Voltage Supply (V): 2.7 to 5.5
- Supply Current : 24µA
- Input Range (V): 0 to Vcc
- Prop Delay (ns)typ: 30000ns
- Adjustable Hysteresis: Fixed
应用领域
|
功能框图

|
订购指南
| 产品型号 |
封装 |
引脚 |
温度范围 |
包装和数量 |
报价*(100-499) |
报价*1000 pcs |
RoHS |
| ADM1184ARMZ 产品状态: 量产 |
10 ld MSOP |
10 |
工业 |
Tube, 50 |
$ 1.85 |
$ 1.79 |
Y 材料信息 |
| ADM1184ARMZ-REEL7 产品状态: 量产 |
10 ld MSOP |
10 |
工业 |
Reel, 1000 |
- |
$ 1.79 |
Y 材料信息 |
开发工具
| 产品型号 |
描述 |
报价 |
RoHS |
查看PCN/PDN |
查看库存/
购买/样片 |
| EVAL-ADM1184EBZ 产品状态: 联络BDTIC |
Evaluation Board |
$ 100.00 |
是 |
- |
|
ADM1184 应用技术支持与电子电路设计开发资源下载
- ADM1184 数据手册DataSheet 下载 . pdf
- ADI 模拟器件公司比较器产品选型指南 . pdf
- Analog Devices, Inc. 美国模拟器件公司产品订购手册 .pdf
- 电压监测及序列分析
- 40年的模拟领导不为电源管理IC