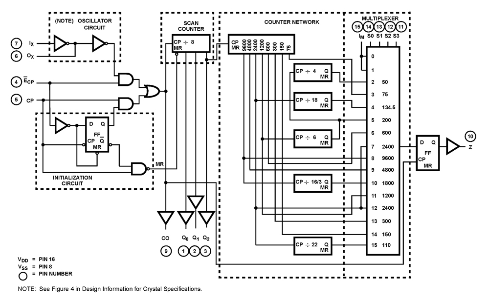
The HD-4702 Bit Rate Generator provides the necessary clock signals for digital data transmission systems, such as a UART. It generates 13 commonly used bit rates using an on-chip crystal oscillator or an external input. For conventional operation generating 16 output clock pulses per bit period, the input clock frequency must be 2.4576MHz (i.e. 9600 Baud x 16 x 16, since there is an internal ÷ 16 prescaler). A lower input frequency will result in a proportionally lower output frequency. The HD-4702 can provide multi-channel operation with a minimum of external logic by having the clock frequency CO and the ÷ 8 prescaler outputs Q0, Q1, Q2 available externally. All signals have a 50% duty cycle except 1800 Baud, which has less than 0.39% distortion.
The four rate select inputs (S0-S3) select which bit rate is at the output (Z). See Truth Table for Rate Select Inputs for select code and output bit rate. Two of the 16 select codes for the HD-4702 do not select an internally generated frequency, but select an input into which the user can feed either a different frequency, or a static level (High or Low) to generate "ZERO BAUD". The bit rates most commonly used in modern data terminals (110, 150, 300, 1200, 2400 Baud) require that no more than one input be grounded for the HD-4702, which is easily achieved with a single 5-position switch.
The HD-4702 has an initialization circuit which generates a master reset for the scan counter. This signal is derived from a digital differentiator that senses the first high level on the CP input after the ECP input goes low. When ECP is high, selecting the crystal input, CP must be low. A high level on CP would apply a continuous reset. See Clock Modes and Initialization below.
Key Features
- HD-4702 Provides 13 Commonly Used Bit Rates
- Uses a 2.4576MHz Crystal/Input for Standard Frequency Output (16 Times Bit Rate)
- Low Power Dissipation
- Conforms to EIA RS-404
- One HD-4702 Controls up to Eight Transmission Channels
- Initialization Circuit Facilitates Diagnostic Fault Isolation
- On-Chip Input Pull-Up Circuit

Order Information| Part Number | Package Type | Weight(g) | Pins | MSL Rating | Peak Temp (°C) | RoHS Status |
|---|
|
| 5962-9051801MEA | 16 Ld CERDIP | 2.13 | 16 | N/A | NA | |
|
|
| HD3-4702-9 | 16 Ld PDIP | 1.0 | 16 | N/A | NA | |
|
|
| HD3-4702-9Z | 16 Ld PDIP | 1.0 | 16 | N/A | NA | RoHS |
|
|