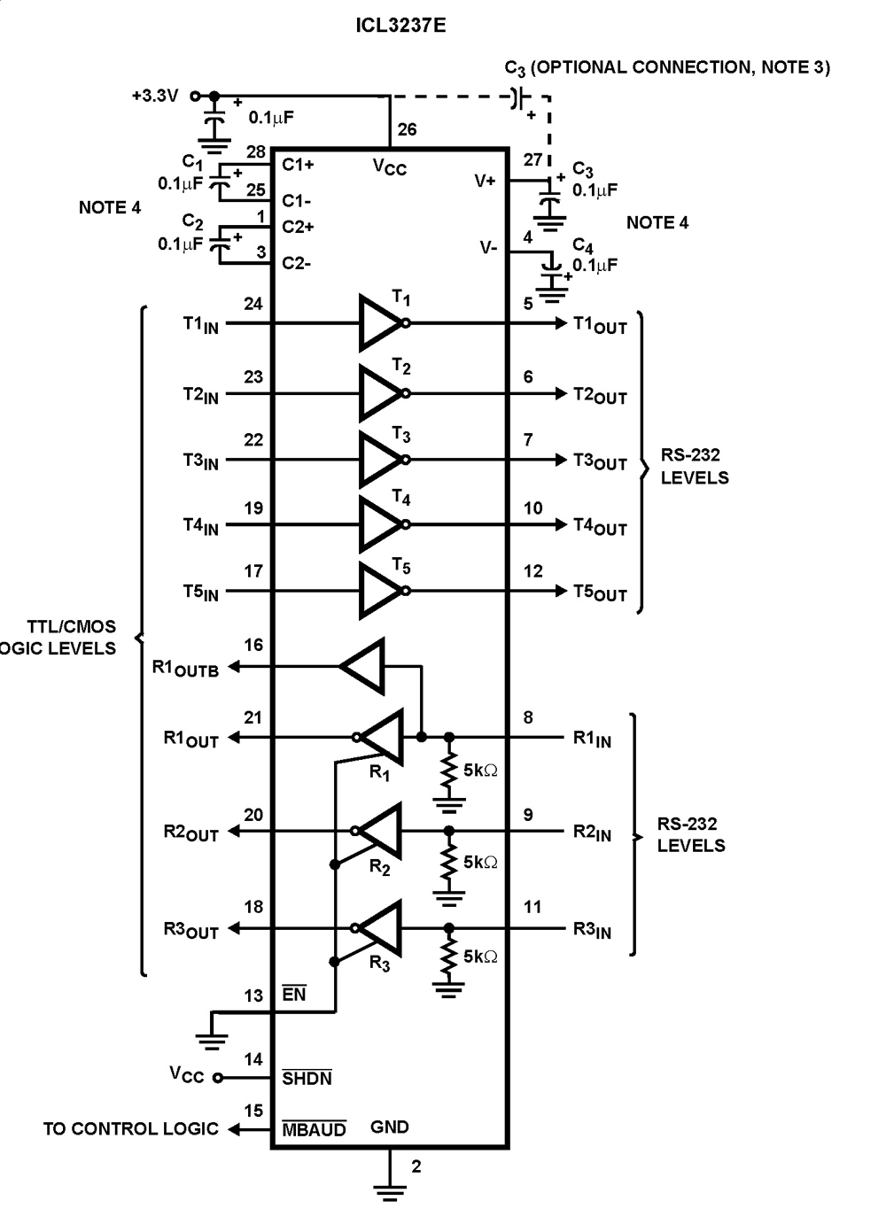
The Intersil ICL3237E contains 3.0V to 5.5V powered RS-232 transmitters/receivers which meet ElA/TIA-232 and V.28/V.24 specifications, even at VCC = 3.0V. Additionally, it provides ±15kV ESD protection (IEC61000-4-2 Air Gap and Human Body Model) on transmitter outputs and receiver inputs (RS-232 pins). Targeted applications are cell phones, PDAs, Palmtops, and notebook and laptop computers where the low operational, and even lower standby, power consumption is critical. Efficient on-chip charge pumps, coupled with the manual powerdown function, reduce the standby supply current to a 10nA trickle. Small footprint packaging, and the use of small, low value capacitors ensure board space savings as well. Data rates greater than 1Mbps (MBAUD = VCC) are guaranteed at worst case load conditions. The ICL3237E is fully compatible with 3.3V only systems, mixed 3.3V and 5.0V systems, and 5.0V only systems.
The ICL3237E is a 5 driver, 3 receiver device that also includes a noninverting always-active receiver for "wake-up" capability.
Key Features
- ESD Protection For RS-232 I/O Pins to ±15kV (IEC61000)
- Pin Compatible Replacement for MAX3237E
- Pin Selectable, Guaranteed Data Rate . . 250kbps/1Mbps
- Meets EIA/TIA-232 and V.28/V.24 Specifications at 3V
- RS-232 Compatible with VCC = 2.7V
- Latch-Up Free
- On-Chip Voltage Converters Require Only Four External Capacitors
- Manual Powerdown Feature
- Flow Through Pinout
- Rx and Tx Hysteresis For Improved Noise Immunity
- Rx Active in Powerdown; Separate Rx Enable Pin
- Guaranteed Minimum Slew Rate 6V/µs or 24V/µs
- Wide Power Supply Range Single +3V to +5.5V
- Low Supply Current in Powerdown State 10nA
- Pb-free available
Applications
- Any System Requiring RS-232 Communication Ports
- Battery Powered, Hand-Held, and Portable Equipment
- Laptop Computers, Notebooks, Palmtops
- Modems, Printers and other Peripherals
- Data Cradles and Cables
- Cellular/Mobile Phone

Order Information| Part Number | Package Type | Weight(g) | Pins | MSL Rating | Peak Temp (°C) | RoHS Status |
|---|
|
| ICL3237ECA | 28 Ld SSOP | 0.22 | 28 | 1 | 240 | |
|
|
| ICL3237ECA-T | 28 Ld SSOP T+R | 0.22 | 28 | 1 | 240 | |
|
|
| ICL3237ECAZ | 28 Ld SSOP | 0.22 | 28 | 3 | 260 | RoHS |
|
|
| ICL3237ECAZ-T | 28 Ld SSOP T+R | 0.22 | 28 | 3 | 260 | RoHS |
|
|
| ICL3237EIA | 28 Ld SSOP | 0.22 | 28 | 1 | 240 | |
|
|
| ICL3237EIA-T | 28 Ld SSOP T+R | 0.22 | 28 | 1 | 240 | |
|
|
| ICL3237EIAZ | 28 Ld SSOP | 0.22 | 28 | 3 | 260 | RoHS |
|
|
| ICL3237EIAZ-T | 28 Ld SSOP T+R | 0.22 | 28 | 3 | 260 | RoHS |
|
|