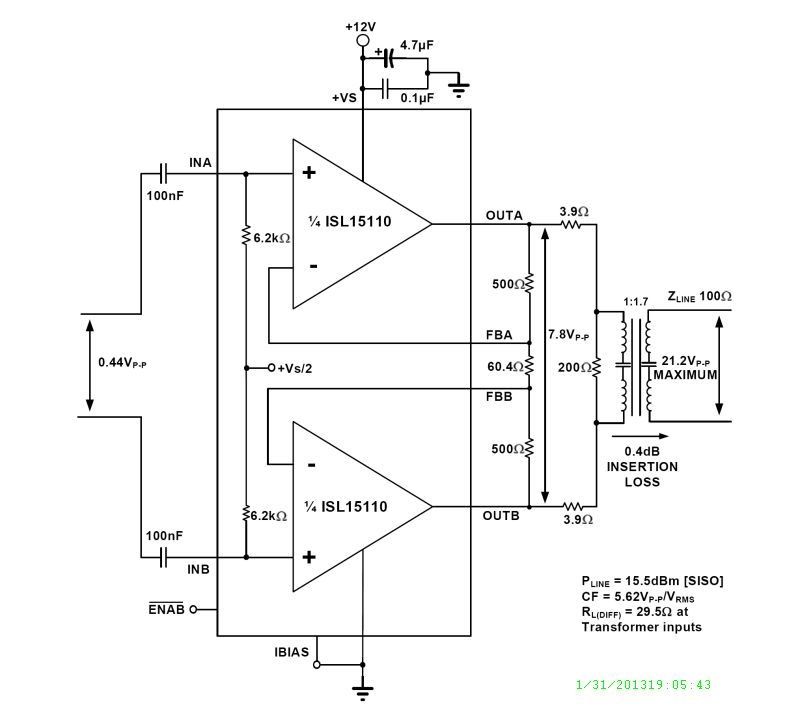
The ISL15110 is a dual port differential line driver developed for Power Line Communication (PLC) Multi Input Multi Output (MIMO) applications. MIMO PLC requires transmission on one or two pairs of Phase, Neutral, and Ground wires. The device is designed to drive heavy line loads, while maintaining a high level of linearity required in OFDM PLC modem links. With 15.5dBm of total MIMO transmit signal power (12.5dBm per each pair) into a 50Ω line load, the drivers deliver -50dB average MTPR distortion across the output spectrum.
Each of the two differential drivers has a control pin used to enable/disable its differential output. These controls allow for independent TDM operation of the two differential drivers, as required in ITU-T MIMO G.hn and related standard based PLC applications. In disable mode, the line driver output maintains a high impedance characteristic to not affect TDM receive signal integrity.
The ISL15110 includes an external IBIAS pin for quiescent current flexibility. Grounding the pin in single supply designs gives the nominal currents in the “Electrical Specifications” table on page 6, while inserting a resistor from pin to ground can be used to scale down the quiescent current for both ports.
The ISL15110 is available in the thermally-enhanced 20 Ld QFN and is specified for operation over the full -40°C to +85°C temperature range.
Key Features
- Dual differential drivers
- 50MHz broadband PLC G.hn
- Enable/disable control pins for TDM operation
- -50dBc average MTPR distortion
- Single supply +12V nominal operation
- Enhanced surge current handling capability
- Thermally enhanced 20 Ld QFN package
- Enable port control voltage <0.7V
- Disable port control voltage >1.7V
Applications
- Home networking over power lines
- ITU-T G.hn (G.9963) MIMO PLC


Order Information| Part Number | Package Type | Weight(g) | Pins | MSL Rating | Peak Temp (°C) | RoHS Status |
|---|
|
| ISL15110IRZ-T7 | 20 Ld QFN T+R | 0.044 | 20 | 2 | 260 | RoHS |
|
|
| ISL15110IRZ | 20 Ld QFN | 0.044 | 20 | 2 | 260 | RoHS |
|
|
| ISL15110IRZ-T13 | 20 Ld QFN T+R | 0.044 | 20 | 2 | 260 | RoHS |
|
|