LTC1283 - 3V Single Chip 10-Bit Data Acquisition System

The 8-channel input multiplexer can be configured for either single-ended or differential inputs (or combinations thereof). An on-chip sample-and-hold is included for all single-ended input channels. The serial I/O is designed to be compatible with industry-standard full-duplex serial interfaces. It allows either MSB-or LSB-first data and automatically provides 2's comple-ment output coding in the bipolar mode. The output data word can be programmed for a length of 8-, 10-, 12-, or 16-bit. This allows easy interface to shift registers and a variety of processors. Both the LTC1283A and LTC1283 are specified with offset and linearity errors less than ±0.5LSB. The LTC1283A has a gain error limit of ±1LSB. The 1283 is specified with a gain error limit of ±2LSB for applications where gain is adjustable or less critcial.

特点
  • Single Supply 3.3V or ±3.3V Operation
  • Software Programmable Features: Unipolar/Bipolar Conversions 4 Differential/8 Single-Ended Inputs MSB- or LSB-First
  • Built-In Sample-and-Hold
  • Direct 4-Wire Interface to Most MPU Serial Ports and all MPU Parallel Ports
  • 15kHz Maximum Throughput Rate
典型应用
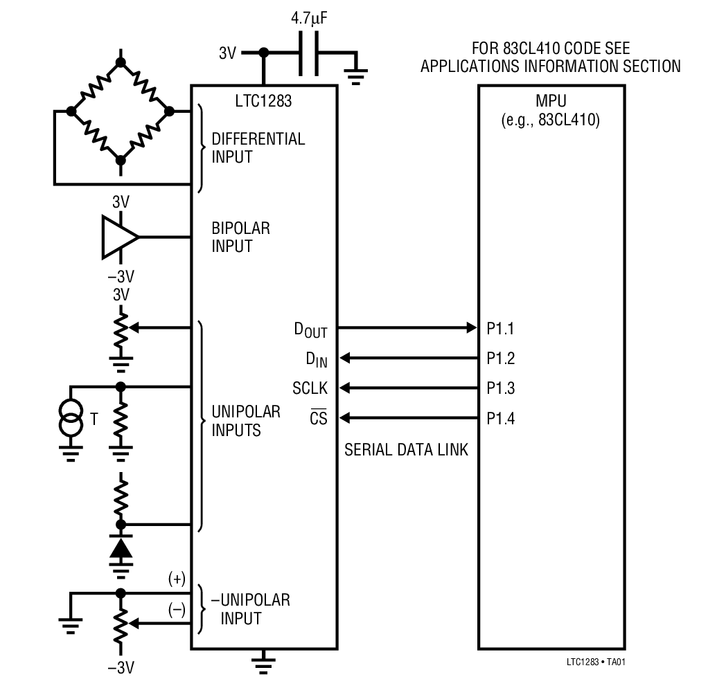
LTC1283 Typical Application
LTC1283 Typical Application
应用
  • Minimum Guaranteed Supply Voltage: 3V
  • Resolution: 10 Bits
  • Offset Error: ±0.5LSB Max
  • Linearity Error: ±0.5LSB Max
  • Gain Error (LTC1283A): ±1LSB Max
  • Conversion Time: 44µms
  • Supply Current: 350µA Max, 150µA Typ
封装信息
LTC1283 Package Drawing
Order Information 订购型号
器件型号封装温度价格 (以 1 ~ 99 片为批量)价格 (以 1000 片为批量) *
LTC1283ACN#PBFN-20C$19.75$17.15
LTC1283CN#PBFN-20C$13.40$10.90
数据表
可靠性数据
CAD 符号
相关产品
LTC1283 - 3V Single Chip 10-Bit Data Acquisition System
R061 Reliability Data
LTC1283 Footprints and Symbols