LTC2328-18 - 具 95dB SNR 的 18 位、1Msps、±10.24V 真正双极、伪差分输入 ADC
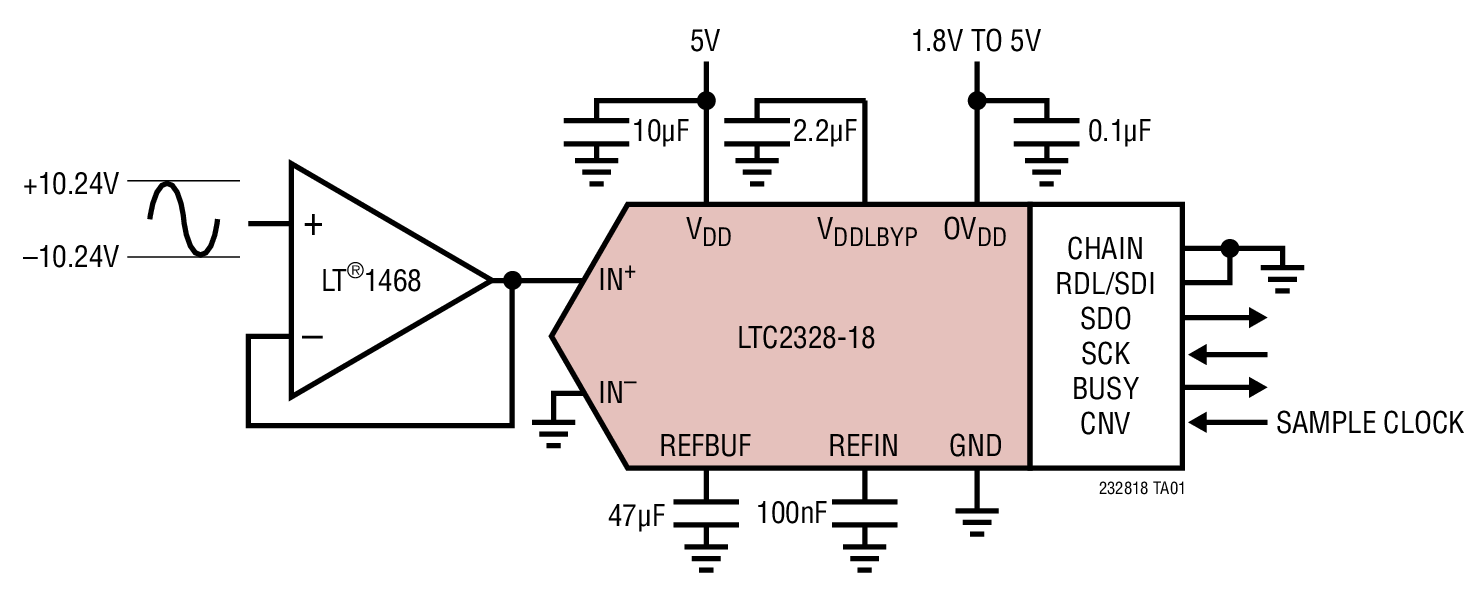
LTC®2328-18 是一款低噪声、高速 18 位逐次逼近型寄存器 (SAR) ADC,其具有伪差分输入。LTC2328-18 采用单 5V 工作电源,具有一个 ±10.24V 的真正双极输入范围,从而使其非常适合于那些要求宽动态范围的高电压应用。LTC2328-18 实现了 ±5LSB INL (最大值)、无漏失码 (在 18 位) 和 95dB SNR。
LTC2328-18 具有一个支持单触发的内置基准缓冲器和低漂移 (20ppm/ºC 最大值) 2.048V 温度补偿型基准。另外,LTC2328-18 还具有一个支持 1.8V、2.5V、3.3V 和 5V 逻辑的高速 SPI 兼容型串行接口,同时拥有一种菊链模式。1Msps 的高吞吐速率和无周期延迟特性使 LTC2328-18 成为众多高速应用的理想选择。一个内部振荡器负责设定转换时间,从而缓解了外部定时方面的考虑。LTC2328-18 仅消耗 50mW 的功率,并在转换操作之间自动进入打盹模式,从而减低了随采样速率而调节的功耗。此外,还提供了一种可将 LTC2328-18 的功耗降低至 300μW 的睡眠模式,以达到在待用期间进一步省电的目的。
特点- 1Msps 吞吐速率
- ±5LSB INL (最大值)
- 保证 18 位,无漏失码
- 伪差分输入
- 真正的双极输入范围:±6.25V、±10.24V、±12.5V
- 在 fIN = 2kHz 时的 SNR 典型值为 95dB
- 在 fIN = 2kHz 时的 THD 典型值为 –111dB
- 保证运作至 125ºC
- 单 5V 电源
- 低漂移 (20ppm/ºC 最大值) 2.048V 内部基准
- 支持单触发的内置基准缓冲器
- 无流水线延迟,无周期延迟
- 1.8V 至 5V I/O 电压
- 具菊链模式的 SPI 兼容型串行 I/O
- 内部转换时钟
- 功率耗散:50mW (典型值)
- 16 引脚 MSOP 封装
典型应用
 | 应用- 可编程逻辑控制器
- 工业过程控制
- 高速数据采集
- 便携式或紧凑型仪表
- ATE
封装信息 |
Order Information 订购型号| 器件型号 | 封装 | 温度 | 价格 (以 1 ~ 99 片为批量) | 价格 (以 1000 片为批量) * |
|---|
| LTC2328CMS-18#PBF | MS-16 | C | $41.57 | $29.10 |
| LTC2328CMS-18#TRPBF | MS-16 | C | | $29.16 |
| LTC2328HMS-18#PBF | MS-16 | H | $55.00 | $38.50 |
| LTC2328HMS-18#TRPBF | MS-16 | H | | $38.56 |
| LTC2328IMS-18#PBF | MS-16 | I | $47.86 | $33.50 |
| LTC2328IMS-18#TRPBF | MS-16 | I | | $33.56 |
演示电路板
| 器件型号 | 描述 | 价格 |
|---|
| DC1908A-D | LTC2328-18 Demo Board | 18-Bit, 1Msps, Single-Ended SAR ADC with True Bipolar +/-10V Inputs. Req DC590 or DC718 | $100.00 |
Companion Boards| 器件型号 | 描述 | 价格 |
|---|
| DC2026C | Linduino One Isolated USB Demo Board: An Arduino- and QuikEval-Compatible Code Development Platform | $75.00 |
| DC590B | Isolated USB Serial Controller for Linear Technology QuikEval-Compatible Demo Boards | $50.00 |
| DC718C | USB Data Acquisition Controller, for PScope Evaluation Kits (<135Mbps) | $300.00 |
数据表可靠性数据产品选择卡软件和仿真CAD 符号Linduino | 相关产品 |