LTC3370 - 4 通道、8A 可配置降压型 DC/DC

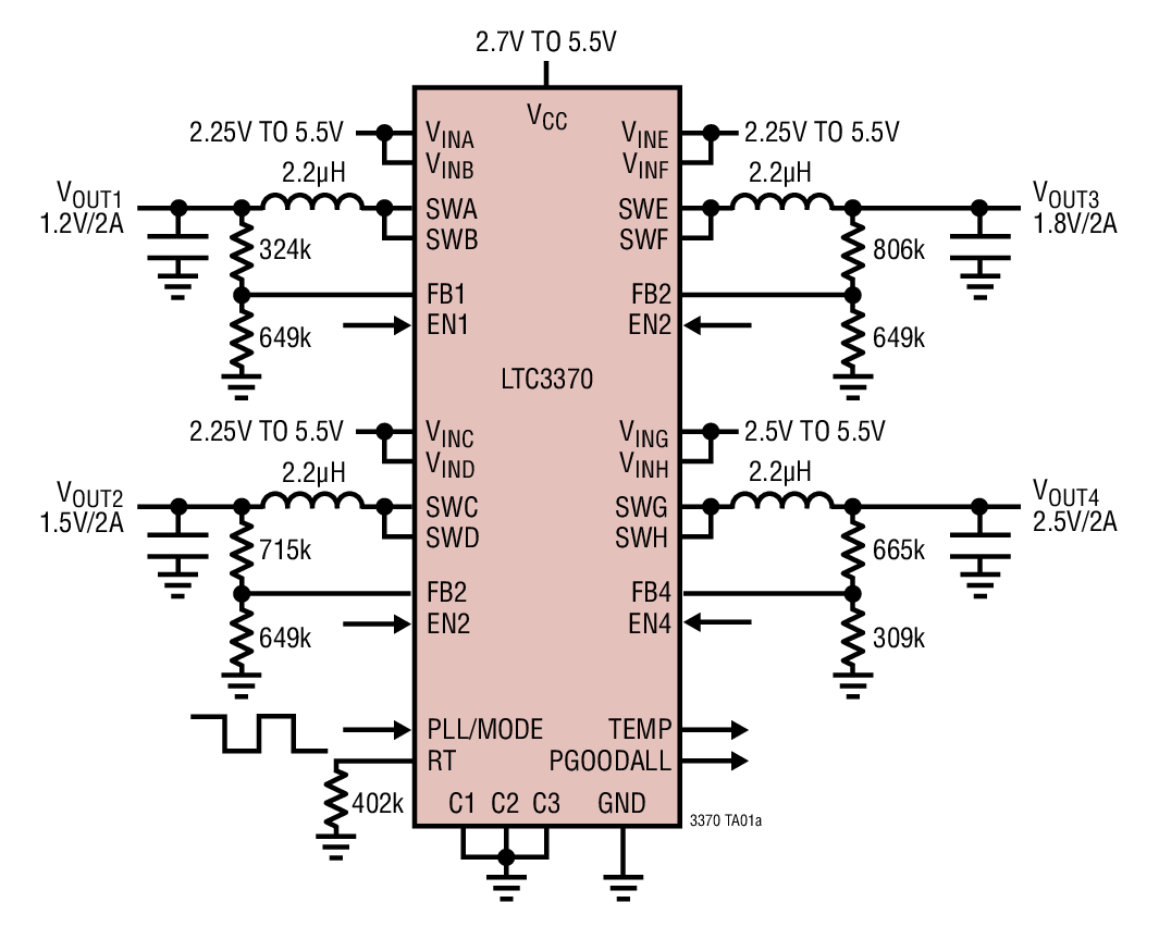
LTC®3370 是一款高度灵活的多输出电源 IC。该器件包括四个被配置为共享 8 个 1A 功率级的同步降压型转换器,全部由独立的 2.25V 至 5.5V 输入来供电。

通过引脚可编程的 C1-C3 引脚给 DC/DC 分配了 8 种电源配置之一。公共的降压开关频率可以利用一个外部电阻器进行设置、同步至一个外部振荡器、或设定至一个默认的内部 2MHz 时钟。

所有 DC/DC 的工作模式都可以通过 PLL/MODE 引脚针对突发模式或强制连续模式操作进行编程。当所有被使能的 DC/DC 皆处在其最终输出值的一个规定百分比范围之内时,PGOODALL 输出将发出指示信号。

为降低输入噪声,降压型转换器以 90° 步进进行调相。精准的使能引脚门限便于实现可靠的电源排序。LTC3370 采用 32 引脚 5mm x 5mm QFN 封装。

特点
  • 8 x 1A 功率级可配置为 2、3 或 4 个输出通道
  • 8 种独特的输出配置 (每个通道为 1A 至 4A)
  • 用于每个 DC/DC 的独立 VIN 电源 (2.25V 至 5.5V)
  • 低的无负载电源电流总值:          在停机模式中为零电流 (所有通道均关断)          一个通道处于突发模式 (Burst Mode®) 操作状态时为 63μA          每个附加通道为 18μA
  • 用于自主型排序的精准使能引脚门限
  • 1MHz 至 3MHz RT 可编程频率 (2MHz 默认值) 或 PLL 同步
  • 温度监视器可指示芯片温度
  • PGOODALL 引脚负责指示所有降压转换器均处于调节状态
  • 32 引脚 5mm x 5mm QFN 封装
典型应用
LTC3370 Typical Application
LTC3370 Typical Application
应用
  • 通用型多通道电源:汽车、工业、分布式电源系统
封装信息
LTC3370 Package Drawing
Order Information 订购型号
器件型号封装温度价格 (以 1 ~ 99 片为批量)价格 (以 1000 片为批量) *
LTC3370EUH#PBF5x5 QFN-32E$5.43$3.80
LTC3370EUH#TRPBF5x5 QFN-32E$3.86
LTC3370HUH#PBF5x5 QFN-32H$6.50$4.55
LTC3370HUH#TRPBF5x5 QFN-32H$4.61
LTC3370IUH#PBF5x5 QFN-32I$6.00$4.20
LTC3370IUH#TRPBF5x5 QFN-32I$4.26
演示电路板
器件型号描述价格
DC2311ALTC3370EUH Demo Board | 4-Ch 8A Configurable Bucks, 2.25V ≤ VIN ≤ 5.5V, VOUT1-4 = 1.2V, 2.5V, 1.8V, 3.3V@0-2A Each$200.00
数据表
可靠性数据
CAD 符号
相关产品
LTC3370 - 4-Channel 8A Configurable Buck DC/DCs
R457 - Reliability Data
LTC3370 Footprints and Symbols