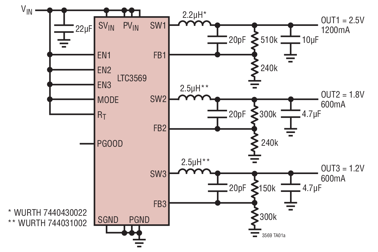
LTC®3569 包含 3 个单片式、同步降压型 DC/DC 转换器。该器件是为在中等功率应用,其工作输入电压范围为 2.5V 至 5.5V。工作频率的可调范围从 1MHz 至 3MHz,因而允许使用纤巧、低成本的电容器和电感器。通过对 EN 引脚进行多达 15 次电平变换,并降低 800mV FB 基准 (降幅为每个周期 25mV),可对 3 个输出电压实施独立设置。第一个降压型稳压器提供了高达 1200mA 的负载电流。另外两个降压型稳压器则各提供 600mA。
另外,也可以通过配置来使两个 600mA 降压型稳压器起受控电源级的作用,并与另一个内部降压型稳压器并联运行,以提供较高的负载电流。当起并联和从属输出级作用时,分立式外部组件被共用,而且可用的输出电流相加在一起。
| 器件型号 | 封装 | 温度 | 价格 (以 1 ~ 99 片为批量) | 价格 (以 1000 片为批量) * |
|---|---|---|---|---|
| LTC3569EFE#PBF | TSSOP-16 | E | $4.57 | $3.20 |
| LTC3569EFE#TRPBF | TSSOP-16 | E | $3.26 | |
| LTC3569EUD#PBF | 3x3 QFN-20 | E | $4.43 | $3.10 |
| LTC3569EUD#TRPBF | 3x3 QFN-20 | E | $3.16 | |
| LTC3569EUDC#PBF | 3x4 QFN-20 | E | $4.43 | $3.10 |
| LTC3569EUDC#TRPBF | 3x4 QFN-20 | E | $3.16 | |
| LTC3569IFE#PBF | TSSOP-16 | I | $5.36 | $3.75 |
| LTC3569IFE#TRPBF | TSSOP-16 | I | $3.81 | |
| LTC3569IUD#PBF | 3x3 QFN-20 | I | $5.22 | $3.65 |
| LTC3569IUD#TRPBF | 3x3 QFN-20 | I | $3.71 | |
| LTC3569IUDC#PBF | 3x4 QFN-20 | I | $5.22 | $3.65 |
| LTC3569IUDC#TRPBF | 3x4 QFN-20 | I | $3.71 |
| 器件型号 | 描述 | 价格 |
|---|---|---|
| DC1340A | LTC3569EUD Demo Board | Triple Buck Regulator with 1.2A and Two 600mA Outputs and Individual Programmable References | $150.00 |