Features- 12-Bit Resolution
- 500ksps Sampling Rate
- Low Noise: SINAD = 72.8dB
- Guaranteed No Missing Codes
- Single 5V Supply
- Auto-Shutdown Scales Supply Current with Sample Rate
- Low Power: 14mW at 500ksps
70μW at 1ksps
35μW Sleep Mode
- 1-Channel (LTC2302) and 2-Channel (LTC2306) Versions
- Unipolar or Bipolar Input Ranges (Software Selectable)
- Internal Conversion Clock
- SPI/MICROWIRE Compatible Serial Interface
- Separate Output Supply OVDD (2.7V to 5.25V)
- Software Compatible with the LTC2308
- 10-Pin (3mm x 3mm) DFN Package
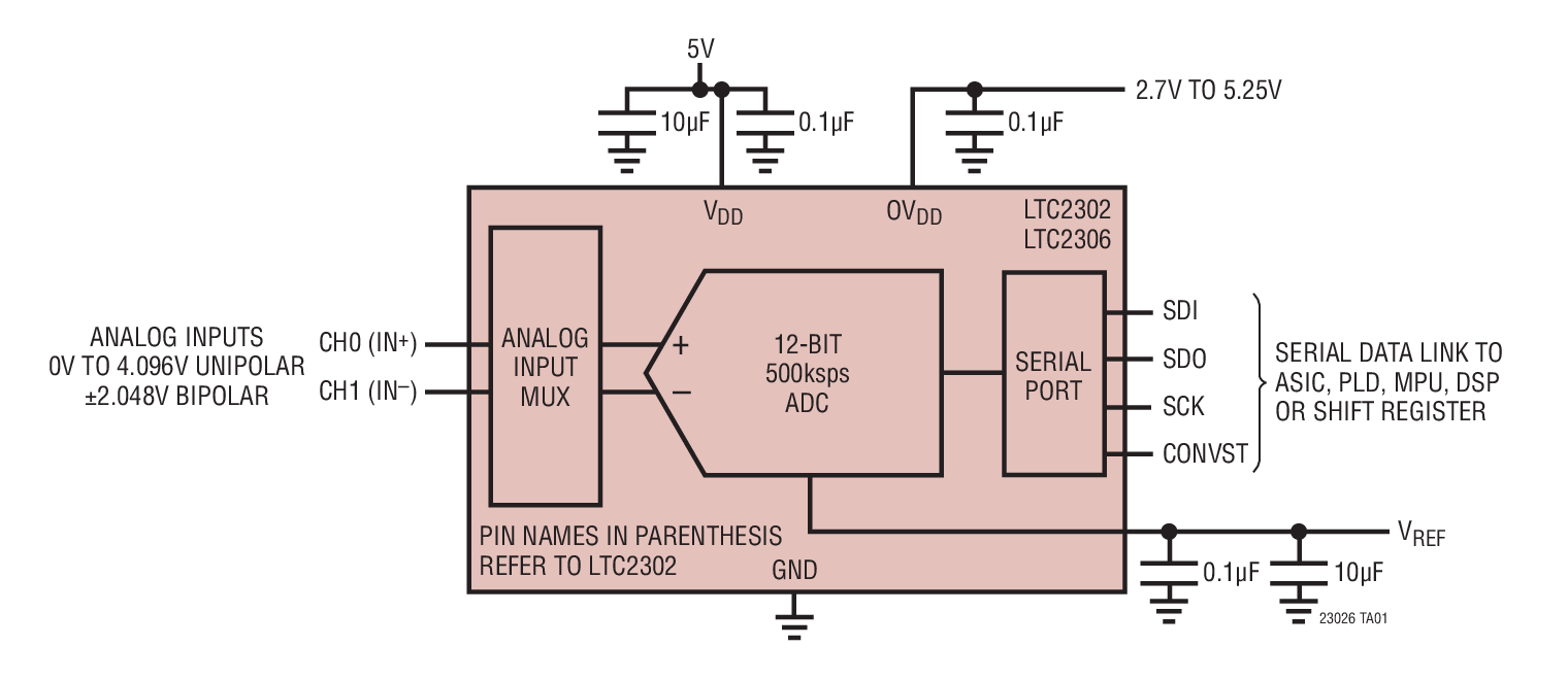
Typical Application
 | Applications- High Speed Data Acquisition
- Industrial Process Control
- Motor Control
- Accelerometer Measurements
- Battery-Operated Instruments
- Isolated and/or Remote Data Acquisition
Packaging
 |